QR коды
Біз туралы
Құралдар
Бізбен хабарласыңы


Факс
+86-574-87168065

Электрондық пошта

Мекенжай
Луотуо индустриалды ауданы, Жеңьки ауданы, Нингбо қаласы, Қытай
Райдафонның SWC-DH қысқа дәнекерлеу типі Әмбебап муфталар Әмбебап муфталар ауыр берілістерді, көтергіш диірмендер, көтергіштер және болат өңдеу машиналарында тураланбаған біліктерді байланыстыру үшін жасалған. Бұл ең тығыз қысқа икемді муфталар, гирратия диаметрі 45 мм-ден 390 мм-ге дейін. Тіктер 25 градусқа дейін (бұрыштық бұрмалау) болған кезде де, ол әлі де 1000 кн.
Біз оны 35CRMO болаттан 35CRMO болатпен жасаймыз және төрт ине мойынтіректерін қосамыз, сондықтан ол ауыр жүктемелерде тұр. Сондықтан бұл өндірістік техниканың әмбебап муфталар үшін қатты таңдау және қатты жабдықтар сияқты, ең жоғары деңгейлі дақтармен, жүктеме жоғары деңгейде сақталады. Оның қысқа мезгілдік дизайны осьтік қозғалысқа арналған кішкентай бөлмелері бар машиналарға өте ыңғайлы, тым қатал өндірістік кеңістіктерге қатаң таратуды береді.
Райдафонның Қытайға негізделген өндірушісі ИСО 9001 сертификаты бар өндіруші, сондықтан біз әрбір SWC-DH әмбебап муфтаның қатаң ережелерін ұстанамыз. Кросс білігі коррозиямен күресу үшін хром тақтайшаны алады, сондықтан олар жағдай қиын болған кезде де, соғұрлым ол да созылады. Дәнекерленген қамыт орнатуды жеңілдетеді, сонымен қатар біліктерді дұрыс туралайды және ол ең жақсы жағдайда жұмыс істейді. Сіз оны металлургия, тау-кен өндірісі және кран жүйелеріндегі редуктордан таба аласыз, ешқандай проблема жоқ.
Сонымен қатар, бұл муфт әр түрлі мөлшерде және момент рейтингісінде келеді. Егер сізге өнеркәсіптік техниканың әмбебап муфтасы қажет болса, жиналушылар үшін немесе басқа да арнайы беріліс үшін біз оны сіздің қажеттіліктеріңізге бейімдей аламыз, ал баға бәсекеге қабілетті. Бізде осы қысқа икемді муфталар жабдықпен кесілген, сондықтан сіздің машиналарыңыз сенімді түрде жұмыс істейді.
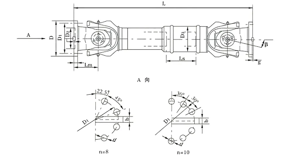
| Жоқ | Гирратия диаметрі d мм | Номиналды момент Түнер КНК | AXES бүктелген бұрышы β (°) | Шаршайтын момент тф КНК | Flex мөлшері Ls мм | Мөлшері (мм) | Айналмалы инерция кг.м2 | Салмақ (кг) | |||||||||||
| Лмин | D1 (JS11) | Д2 (H7) | Д3 | Л | n-d | k | t | b (H9) | g | Лмин | Арттыру 100 мм | Лмин | Арттыру 100 мм | ||||||
| SWC180DH1 | 180 | 20 | 10 | ≤25 | 75 | 650 | 155 | 105 | 114 | 110 | 8-17 | 17 | 5 | - | - | 0.165 | 0.0070 | 58 | 2.8 |
| Swc180dh2 | 55 | 600 | 0.162 | 56 | |||||||||||||||
| Swc180dh3 | 40 | 550 | 0.160 | 52 | |||||||||||||||
| SWC225DH1 | 225 | 40 | 20 | ≤15 | 85 | 710 | 196 | 135 | 152 | 120 | 20 | 5 | 32 | 9.0 | 0.415 | 0.0234 | 95 | 4.9 | |
| SWC225DH2 | 70 | 640 | 0.397 | 92 | |||||||||||||||
| SWC250DH1 | 250 | 63 | 31.5 | ≤15 | 100 | 795 | 218 | 150 | 168 | 140 | 8-19 | 25 | 6 | 40 | 12.5 | 0.900 | 0.0277 | 148 | 5.3 |
| SWC250DH2 | 70 | 735 | 0.885 | 136 | |||||||||||||||
| SWC285DH1 | 285 | 90 | 45 | ≤15 | 120 | 950 | 245 | 170 | 194 | 160 | 8-21 | 27 | 7 | 40 | 15.0 | 1.876 | 0.0510 | 229 | 6.3 |
| SWC285DH2 | 80 | 880 | 1.801 | 221 | |||||||||||||||
| Swc315dh1 | 315 | 125 | 63 | ≤15 | 130 | 1070 | 280 | 185 | 219 | 180 | 10-23 | 32 | 8 | 40 | 15.0 | 3.331 | 0.0795 | 346 | 8.0 |
| Swc315dh2 | 90 | 980 | 3.163 | 334 | |||||||||||||||
| Swc350dh1 | 350 | 180 | 90 | ≤15 | 140 | 1170 | 310 | 210 | 267 | 194 | 10-23 | 35 | 8 | 50 | 16.0 | 6.215 | 0..2219 | 508 | 15.0 |
| Swc350dh2 | 90 | 1070 | 5.824 | 485 | |||||||||||||||
| Swc390dh1 | 390 | 250 | 125 | ≤15 | 150 | 1300 | 345 | 235 | 267 | 215 | 10-25 | 40 | 8 | 70 | 18.0 | 11.125 | 0.2219 | 655 | |
| SWC390DH2 | 90 | 1200 | 10.763 | 600 | |||||||||||||||
* 1 * 2. Лмин - кесілгеннен кейін ең аз ұзындық. * 3. L-Орнату ұзындығы, бұл талапқа сәйкес
SWC әмбебап бірлескен муфта, көбінесе SWC картандық білігінің әмбебап бірлескен муфтасы деп аталады, ауыр өнеркәсіптік сценарийлерде негізгі компонент болып табылады. Бұл прокат, жүк көтергіш машиналар және әртүрлі ауқымды ауыр машина жасау жүйелері үшін қажет. Жоғары момент әмбебап бірлескен муфта ретінде, ол екі тарату біліктерін кездейсоқ емес осьтермен тиімді түрде байланыстыра алады, тіпті күрделі және қатал жұмыс жағдайларында да үздіксіз электр энергиясын бере отырып, үздіксіз берілісті қамтамасыз етеді.
Бұл муфтаның негізгі техникалық параметрлері келесідей:
Гирратия диаметрі: φ58 - φ620
Номиналды момент: 0,15 - 1000 KNAM
Бағыт бұрышы: ≤25 °
Практикалық қосымшаларда ол өте жақсы орындайды. Мысалы, жылжымалы диірмен жұмыс істеп тұрған кезде, жылжымалы диірмендерге арналған кеңейтілген жалпыға бірдей бірлескен муфталар қажет болған кезде немесе көтергіш және материалды өңдеу жабдықтарында, ұзақ мерзімді SWC әмбебап бірлескен біліктің байланысы қажет болған кезде, бұл өнім толығымен құзыретті. Тіпті ауыр жүктемелерде де жабдықтың жұмыс тұрақтылығын тұрақты түрде сақтай алады.
SWC әмбебап бірлескен муфта инженерлік принциптерді қолдана отырып, өндірістік ортада ерекше қызмет көрсету және ұзақ қызмет ету мерзімін жүзеге асырады. Оның негізгі құрылымдық ерекшеліктері:
Ақылға қонымды және қауіпсіз құрылым: интеграцияланған шанышқының дизайнымен, бұл өндірістік әмбебап бірлескен муфта болттарды қопсыту немесе сыну қаупін азайтады, құрылымдық беріктікті 30% -50% арттырады. Бұл дизайн қауіпсіз және сенімді жұмыс істеуді қамтамасыз етеді, дәстүрлі модельдермен салыстырғанда қызмет ету мерзімін ұзартады және ауыр техниканың өрнекті бірлескен муфтациялық жүйелер сияқты жоғары қысымды сценарийлердегі ортақ ақаулардың алдын алады.
Жетілдірілген жүк көтергіштігі: SWC ауыр жалпыға ортақ бірлескен муфтасы ауыр жүк көтергіштігі бар, оны тау-кен немесе құрылыс техникасы сияқты тамаша жүктемелерді қажет ететін сценарийлерде қажет етеді.
Тиімділігі жоғары: тиімділігі 98,6% -ға дейін, жоғары билікті беру үшін тиімді әмбебап бірлескен бірлескен муфта энергияны тұтынуды және онымен байланысты шығындарды едәуір азайтады, бұл оны энергияны үнемдейтін жалпыға ортақ бірлескен муфталық шешімдерді едәуір азайтады.
Төменгі шумен тұрақты жұмыс: бұл төмен шулы бірлескен муфта, әдетте, шу деңгейімен, әдетте, 30-40 дБ (a) арасында, тыныш жұмыс істейді. Бұл жоғары сенімділікті сақтау кезінде шуыл сезімтал орта үшін өте қолайлы.
Әмбебап бірлескен муфталар, әсіресе SWC картаның білігі әмбебап бірлескен муфталар, олардың керемет артықшылықтарына байланысты өндірістік қосымшаларда ажыратылмайтын компоненттерге айналды. Олар өзектермен күресуі мүмкін, олар ауыр машиналар, дәл өндіріс және энергия беру сияқты салаларда өзекті болуы мүмкін. Төменде олардың негізгі артықшылықтарын егжей-тегжейлі талдау:
1. Күшті момент беру және жақсы сәйкес келмейтін өтемақы
Жоғары момент әмбебап бірлескен муфта ретінде, ол жоғары қуатты жүктемелерді тұрақты түрде жібере алады. Шығару диірмен жұмыс істеп тұрған кезде, мұнда біліктің туралануы кезіндегі сценарийлерде, мысалы, білікшенің тозуы және температураның өзгеруінен болатын осьтік осьтік, кернеудің өзгеруіне байланысты, ол жылжымалы диірменмен жұмыс істеуге байланысты. Ол максималды бұрыштық бұрмаланған қателіктермен бір уақытта бұрыштық, осьтік және радиалды сәйкес келмеуі мүмкін, олар 25 градусқа дейін. Бұл керемет сәйкессіздік бейімделу Біліктердің туралануынан туындаған кептелістердің алдын алады, тұрақты және тұрақты қуат беруді қамтамасыз етеді, төтенше және тұрақты қуат беруді қамтамасыз етеді, бұл төтенше жұмыс жағдайларында механикалық ақаулардың ықтималдығын едәуір азайтады және өндірістік желілердің үздіксіз жұмысына кепілдік береді.
2. Жоғары беріктігі және ұзақ қызмет ету мерзімі
SWC әмбебап бірлескен муфталарын жобалау және материалдық таңдау «ауыр жүктемелерге және қатал ортаға қарсы» қарсы тұруға бағытталған. Негізгі дене берот жалтен шығару және компоненттердің сынуы сияқты жағымсыз ұпайларды түбегейлі азайтатын интеграцияланған шанышқы бас құрылымымен біріктірілген жоғары күшті легірленген болаттан жасалған. Сервисті және материалдық өңдеу жабдықтарын мысал ретінде пайдаланған ұзақ уақытқа дейін SWC әмбебап бірлескен біліктерін алу, ол ауыр заттарды көтергенде, шаң мен жоғары температура сияқты қатал ортада тұрақты жұмыс істеуге қарсы тұруы мүмкін. Дәстүрлі сплиттің муфталарымен салыстырғанда, бұл өнеркәсіптік әмбебап бірлескен муфталар жалпы күш 30% -50% -ға артты, бұл күнделікті техникалық қызмет көрсету жиілігін азайтып қана қоймай, сонымен қатар 2-3 жылдармен салыстырғанда. Бұл әсіресе, ауыр техниканың жалпыға ортақ бірлескен муфталар жүйесінің ұзақ мерзімді жұмыс істеу қажеттіліктеріне өте қолайлы.
3. Жоғары беріліс тиімділігі және энергияны үнемдейтін едәуір
Тесттер SWC ауыр жалпыға бірдей бірлескен муфтының берілу тиімділігі 98,6% -ға жоғары екенін көрсетті, бұл электр станцияларындағы болат пештеріндегі және электр станцияларындағы көмір қондырғыларындағы домна пештерінің жанкүйерлері сияқты айқын артықшылықтары бар. Үлкен қуат беріліп, үлкен қуат берілістеріне сәйкес келетін үздіксіз жоғары қуат беруді қажет ететін жабдық үшін қуаттың жоғалуын азайтуға болады. Энергия үнемдейтін бірлескен муфтаның шешімдеріне сәйкес, бұл жоғары тиімділікке қол жеткізу үшін, мысалы, 1500 кВт-қы қабылдауға болады, мысалы, 1500 кВт-қа дейін юаньді алуы мүмкін, бұл өндірістік саладағы энергияны үнемдейтін және тұтыну-тұтынуды азайту бойынша едәуір пайдалану шығындарын азайтуға көмектеседі.
4. Тұрақты және тыныш әрекет, бірнеше сценарийлер үшін қолайлы
Мойынтіректердің дәлдігін оңтайландыру арқылы, төмен үйкеліс коэффициентімен майлаудың дәлдігін оңтайландыру арқылы, бұл төмен шулы бірлескен муфтаның жұмыс істемеуі 30-40 дБ (а), ол 30-40 дБ (а), ол күнделікті кеңсе деңгейіне тең және өндірістік учаскелердің шығарындыларының стандарттарына сәйкес келеді. Нақты электронды компоненттерге арналған зауыттардағы өндірістік желілер сияқты шуылға сезімтал сценарийлерде, ол электронды компоненттерге арналған жабдықтар сияқты, сонымен қатар электр беріліс жүйесінің тұрақтылығы мен сенімділігін қамтамасыз ете де, семинар ортасына немесе қызметкерлердің жұмысына әсер етпеуі мүмкін. Сонымен бірге, берілудің тұрақты сипаттамалары жабдық дірілден туындаған қоршаған компоненттердің тозуын азайтуға, барлық өндірістік жүйенің жұмыс тұрақтылығы мен қызмет ету мерзімін жақсартуға мүмкіндік береді.
SWC-DH қысқа икемді дәнекерлеу типі, көбінесе SWC картандық білікті әмбебап бірлескен муфталар, негізінен, айналмалы диірмендер мен көтергіштер сияқты ауыр машина сценарийлерінде қолданылады. Жабдықтың бұл түріне құрылымдық ықшамдылық пен икемділікке ие, тек осы екі нүктені орындау арқылы тиімді жұмыс істеуі мүмкін, сондықтан бұл муфта осындай қажеттіліктерге сәйкес келеді. Жоғары момент әмбебап бірлескен муфта ретінде, ол екі тарату біліктерін кездейсоқ осьтермен тиімді түрде байланыстыра алады, ол тіпті қатал өнеркәсіптік ортада да, біліктілік жүйесінің сәйкес келмеуін қажет ететін дүрбелеңсіз электр энергиясын беруді қамтамасыз етеді.
Дәлелдеу диірменімен жұмыс істеу кезінде сенімді түрде ауыр бірлескен жалпыға бірдей жалпыға бірдей бірлескен бірлескен муфталар жүк көтергіш кезінде қажет, немесе оны өңдеу және материалдық бірлескен біліктің тұрақты байланысы қажет, бұл өнім өте жақсы жұмыс істейді, бұл өнім өте жақсы нәтиже бере алады. Оның бейімделу артықшылығы әсіресе кеңістік шектеулі және құрылымның қысқа икемді құрылымы қажет болатын ықшам жабдықтың орналасуында ерекше көрнекті болып табылады.
Бұл SWC-DH Өнеркәсіптік әмбебап бірлескен муфта озық инженерлік технологиялармен салынған және өнеркәсіптік сценарийлер үшін арнайы жұмыс және қызмет көрсету үшін оңтайландырылған. Оның негізгі құрылымдық ерекшелігі оның ақылға қонымды және қауіпсіз дизайнында жатыр: интеграцияланған шанышқы бас құрылымы болттарды босататын немесе сынудың жасырын қауіптерін түбегейлі жояды, жалпы беріктігін 30% -50% арттырады. Бұл дизайн жұмыстың қауіпсіздігі мен сенімділігін қамтамасыз етіп қана қоймай, сонымен қатар дәстүрлі модельдермен салыстырғанда, сонымен қатар, ауыр техниканың жалпыға ортақ бірлескен муфталар сияқты жоғары күйзеліске қарсы қосымшалардағы проблемалардан аулақ бола отырып, қызмет ету мерзімін ұзартады.
Сонымен қатар, оның салмағы зор салмақтармен күресу арқылы күшейтіледі, сондықтан бұл SWC ауыр жалпыға бірдей бірлескен муфталар тау-кен машиналары мен құрылыс техникасы сияқты қатаң талаптарға ие сценарийлер үшін өте қолайлы. Тиімділігі тұрғысынан ол 98,6% дейін жетеді. Ірі энергияны беру үшін тиімді әмбебап бірлескен муфта ретінде, ол энергияны тұтынуды және электр энергиясының шығындарын едәуір төмендетуі мүмкін, оны энергияны үнемдейтін, оны энергияны үнемдейтін жалпыға ортақ бірлескен муфталық шешімдер үшін, жоғары энергетикалық өндірістік қуат беру саласында қалайды.
Соңында, бұл муфта тұрақты берілістіктің тұрақты берілуі, әдетте, 30-40 дБ (A) -мен басқарылатын, оны шу шығарылған әмбебап бірлескен муфтасы бар. Бұл сипаттама барлық уақытта жоғары сенімділікті сақтау кезінде тіпті шуылға сезімтал индустриалды сценарийлерде де тыныштықпен жұмыс істеуге мүмкіндік береді.
⭐⭐⭐⭐⭐ Ван Ван Лей, жобалық инженер, Гуандерг ауыр «Машина» КО, ЖШС
Біз Рэдафонның SWC-DH қысқа Flex дәнекерлеу типін біздің ауыр техникамыздағы әмбебап муфталарын қазір біраз уақытқа қолдандық, ал қазір жағымды тосын сый болды, әсіресе дәмді дақтарға сай келеді. Біздің жабдықты тарату бөлшектері үшін өте шектеулі, бірақ бұл муфтаның ықшам дизайны қолғап сияқты, оны жасау үшін басқа компоненттерді өзгертудің қажеті жоқ.
Мұның бәрі жақсы, бұл мөлшері үшін өнімді құрбан етпейді. Бұл біздің ауыр операцияларымыз үшін күшті, тұрақты момент беру өте маңызды. Біз оны бірнеше апта бойы үздіксіз басқардық, және нөлдік нөлдік тербеліс бар; Бүкіл жүйе тегіс қалады. Дәнекерлеу сапасы - бұл тағы бір ерекшелігі - бұл сіз оған қарап, оны қарап шығуыңыз мүмкін, бұл бізге жалпы сенімділік береді, бұл бізге көп мөлшерде ауыр қолдануға мүмкіндік береді. Ғарыштық үнемдейтін дизайн мен сенімділікті теңестіретін муфта үшін, бұл жеңімпаз.
⭐⭐⭐⭐⭐ Жао Мерм, сатып алу жөніндегі менеджер, Tianjin Steel Advest Co., Ltd.
Жақында біз Раядафоннан бірнеше SWC-DH муфталарына тапсырыс бердік, мен оны айтуым керек, мен сатып алу процесі барлық бас ауруы, кешіктірмей болды. Біз бұйырған сәттен бастап олардың командасы жауап берді, ал жеткізілім жоспарланған күн туралы дұрыс, бұл біздің өнімімізді бақылау үшін үлкен плюс болып табылады. Орам материалдары да жоғары: әрбір муфта, әрбір муфталар қауіпсіз оралған, Жеткізу кезінде дана немесе зақым жоқ, бұл жәшігін және орнатуға дайын.
Біздің техникалық команда қондырғыларды шешті, олар бірден оны қалай оңай жинады. Қиындық жоқ, арнайы құралдарды аң аулаудың қажеті жоқ - олар тез арада орнатылды және содан бері сенімді болды. Осы дәйекті өнімділікпен жұпталған ақылға қонымды бағамен фактор болған кезде, бұл муфта керемет құндылықты ұсынады. Біз оны сатып алулардың тұрақты тізімімізде сақтауды жоспарлап отырмыз; Бұл менің сатып алушы ретінде жұмысымды жеңілдететін өнім түрі.
⭐⭐⭐⭐⭐ Лю Гонг, техникалық қызмет көрсету жөніндегі директор, Shandong Industrial Group
Жабдықтарға техникалық қызмет көрсетуді бақылайтын адам ретінде менің ең үлкен басымдықым тоқтап қалу - тоқтап қалу және менің командам менің қызмет көрсету бөлшектеріне жұмсайды. Райдафонның SWC-DH байланысы сол қораптарды да жақсы тексереді. Біз оны күнделікті жұмыс жүктемесінің астында жұмыс істейтін жабдықта қолданамыз, ол ешқашан сырғып кетпейді немесе ешқашан сырғып кетпейді, ол ешқашан сырғып кетпейді, бос тұрып, бос байланыстар болмайды. Бірнеше айдан кейін де, кез-келген тозу белгісі бар, бұл біз бұрын қолданған басқа муфталардан үлкен контраст болып табылады.
Ескі муфталармен біз әрқашан өндіріс уақытына жіп, шығындармен толықтырылып, тез түзетулерді жоспарладық. Бұл? Біз оған әрең қол тигізбейміз - жиі қызмет көрсету, күтпеген бұзушылықтар жоқ. Бұл бізге көп уақыт және техникалық қызмет көрсету үшін ақша үнемделді және ол өз жұмысын сенімді түрде жүргізеді. Бұл күндері бұл біздің күнделікті операцияларымызда компонентке айналады; Мен бұл сәтсіздікке алаңдамаймын, бұл басқа басымдықтарға назар аударуға мүмкіндік береді. Бұл әр техникалық қызмет көрсету тобының қажеттіліктерінің нақты бөлігі.
Мекенжай
Луотуо индустриалды ауданы, Жеңьки ауданы, Нингбо қаласы, Қытай
Тел
Электрондық пошта


+86-574-87168065


Луотуо индустриалды ауданы, Жеңьки ауданы, Нингбо қаласы, Қытай
Авторлық құқық © Raydafon Technology Group Co., шектеулі барлық құқықтар қорғалған.
Links | Sitemap | RSS | XML | Құпиялылық саясаты |
