QR коды
Біз туралы
Құралдар
Бізбен хабарласыңы


Факс
+86-574-87168065

Электрондық пошта

Мекенжай
Луотуо индустриалды ауданы, Жеңьки ауданы, Нингбо қаласы, Қытай
Райдафонның SWC-BF стандартты флейзі Әмбебап муфталар моментін ауыр машина жасау диірмендеріне, қағазға арналған жабдық, өндірістік дискілер, өндірістік дискілер, барлық қондырғылармен жылжыту үшін салынған. Оның икемді фланец дизайны бар, гиративті диаметрі 180 мм-ден 620 мм-ге дейін, ал бұл стандартты икемді әмбебап муфталар 15 градусқа дейін және 1250 KNNUPLE Тіпті жұмыс ортасында да, ол тұрақты жұмыс істемейді, ешқандай тамшы болмайды. Біз оны жоғары беріктігі 35CRMO болатпен және дәлдікпен жасаймыз, сондықтан ол өндірістік машиналарға арналған әмбебап муфталар және ауыр жабдыққа арналған икемді флейс муфталар сияқты, қуатты қуатпен қозғалтыңыз және сіз кез-келген дірілге назар аударыңыз.
Біздің Қытайдағы өндірісіміз ISO 9001 стандарттарын ұстанады, сондықтан SWC-BF әмбебап муфтасы ұзақ және коррозияға созылады, олардың хромдық жалатылған кросс білігінің барлық арқасында. Фланецтік байланыс орнатуды жеңілдетеді, бұл металлургия, тау-кен ісі және кеме жасау сияқты өрістерде үлкен көмек, бұл сізге орташа осьтік икемділікті қажет етеді. Біз оның мөлшері мен моментінің рейтингін де теңшей аламыз, сондықтан бұл ұзақ әмбебап муфталар илемдеу диірмендері мен басқа да өндірістік қажеттіліктерге арналған әмбебап муфталар сияқты керемет жұмыс істейді. Бағасы бәсекеге қабілетті, артық зарядталмайды. Райдафонның ноу-хау, сіз техникалық қызмет көрсетуге аз уақыт жұмсайсыз, және сіздің жабдықтарыңыз сенімді болып қалады - бүкіл әлем бойынша бірқатар операторлар сене алады.
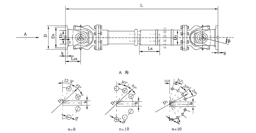
| Жоқ | Гирратия диаметрі d мм | Номиналды момент Түнер КНК | AXES бүктелген бұрышы β (°) | Шаршаған момент Тг КНК | Flex мөлшері Ls мм | Мөлшері (мм) | Айналмалы инерция кг.м2 | Салмақ (кг) | |||||||||||
| Лмин | D1 (JS11) | Д2 (H7) | Д3 | Л | n-d | k | t | b (H9) | g | Лмин | Арттыру 100 мм | Лмин | Арттыру 100 мм | ||||||
| SWC180BF | 180 | 12.5 | 6.3 | ≤25 | 100 | 810 | 155 | 105 | 114 | 110 | 8-17 | 17 | 5 | -1.455 | - | 0.27 | 0.0070 | 80 | 2.8 |
| SWC225BF | 225 | 40 | 20 | ≤15 | 140 | 920 | 196 | 135 | 152 | 120 | 8-17 | 20 | 5 | 32 | 9 | 0.79 | 0.0234 | 138 | 4.9 |
| SWC250BF | 250 | 63 | 31.5 | 1035 | 218 | 150 | 168 | 140 | 8-19 | 25 | 6 | 40 | 12.5 | 1.46 | 0.0277 | 196 | 5.3 | ||
| SWC285BF | 285 | 90 | 45 | 1190 | 245 | 170 | 194 | 160 | 8-21 | 27 | 7 | 40 | 15 | 2.87 | 0.0510 | 295 | 6.3 | ||
| SWC315BF | 315 | 125 | 63 | 1315 | 280 | 185 | 219 | 180 | 10-23 | 32 | 8 | 40 | 15 | 5.09 | 0.0795 | 428 | 8.0 | ||
| SWC350BF | 350 | 180 | 90 | 150 | 1410 | 310 | 210 | 267 | 194 | 10-23 | 35 | 8 | 50 | 16 | 9.20 | 0.2219 | 632 | 15.0 | |
| SWC390BF | 390 | 250 | 125 | 170 | 1590 | 345 | 235 | 267 | 215 | 10-25 | 40 | 8 | 70 | 18 | 16.62 | 0.2219 | 817 | 15.0 | |
| SWC440BF | 440 | 355 | 180 | 190 | 1875 | 390 | 255 | 325 | 260 | 16-28 | 42 | 10 | 80 | 20 | 28.24 | 0.4744 | 1290 | 21.7 | |
| SWC490BF | 490 | 500 | 250 | 190 | 1985 | 435 | 275 | 325 | 270 | 16-31 | 47 | 12 | 90 | 22.5 | 46.33 | 0.4744 | 1631 | 21.7 | |
| SWC550BF | 550 | 710 | 355 | 240 | 2300 | 492 | 320 | 426 | 305 | 16-31 | 50 | 12 | 100 | 22.5 | 86.98 | 1.3570 | 2567 | 34.0 | |
| SWC620BF | 620 | 1000 | 500 | 240 | 2500 | 555 | 380 | 426 | 340 | 10-38 | 55 | 12 | 100 | 25 | 147.50 | 1.3570 | 3267 | 34.0 | |
Әмбебап муфталар, сонымен қатар әмбебап бірлескен муфталар деп те аталады - момент пен айналуы мүмкін екі біліктер арасындағы бұрылыс қимылдары мен дөңгелек қимылдар. Олар бұрыштық, осьтік және радиалды туралғандарды, әр түрлі өндірістік қолданыстағы энергияны тиімді пайдалану кезінде барлығы. Раядафонда біздің SWC картандық білігі әмбебап бірлескен муфталық сериялар - бұл домариялық диірмендер мен көтергіштер сияқты ауыр дақтар үшін жасалған жоғары крут-озық ерітінділердің ең жақсы мысалы.
Жалпыға бірдей бірлескен муфталардың негізгі түрлерін бұзайық:
Біріншіден, жалғыз әмбебап буын. Онда екі көлденең пивот бар, екі жылтыратқышқа ие, біліктілікті 45 градусқа дейін бұрмалауға мүмкіндік береді. Ол қалыпты жұмыс істейтін қондырғылар үшін жақсы жұмыс істейді, дегенмен бұл жылдамдыққа әкелуі мүмкін. Рэйдафонның илемдеу диірменімен бірлескен жалпыға бірдей бірлескен бірлескен бірлескен муфта, бұл тығыз құрылыстарда бір бірлескен дизайнды қолданады, сондықтан ол ауыр жүктемелермен де үлкен.
Содан кейін қос әмбебап буын бар. Оның бір-бірімен байланыстырылған екі бір буын бар, ол үлкен қателіктерді өңдейді және тарату жылдамдығы күрделі біліктерді үнемді етеді. Егер сізге ұзақ мерзімді SWC әмбебап бірлескен біліктің байланысы қажет болған кезде, көтергіш және материалдық өңдеу жабдықтарында, Райдафонның қос бірлескен модельдері тұрақтылықты арттырады және жоғары стресстік индустриялық әмбебап бірлескен муфталардағы дірілдерді қысқартты.
Келесі - телескопиялық немесе кеңейтілген әмбебап буын. Оның ұзындығын немесе жылжымалы бөлшектерге ие, бұл сіздің ұзындығын реттеуге мүмкіндік береді, сонымен қатар динамикалық қондырғылардағы осьтік қозғалыстар үшін жұмыс істейді. Райдафонның SWC ауыр бірлескен муфтасы телескопиялық опцияларды қамтиды - олар шахталардағы немесе құрылыс алаңдары сияқты жерлерде үлкен қуатты беру үшін тиімді әмбебап бірлескен муфта ретінде әрекет етеді, онда сізге білік ұзындығы икемділік қажет.
Сондай-ақ, қатты, скучно немесе кесілген хаб түрлері бар. Оларды олардың қалай қосатындарымен ерекшеленеді: Қатты хабтардың тесіктері жоқ, скучно хабтарда дөңгелек, алқаб немесе төртбұрышты саңылаулар бар, ал шашыратылған хабтар тығыз жарамайды. Энергияны үнемдейтін әмбебап бірлескен ерітінділер үшін, Райдафон біздің төмендегі шулы бірлескен муфтаның құрамында керемет дизайн ұсынады - олар момент жеткізілімін оңтайландырады және сезімтал өнеркәсіптік орындарда 30-40 дБ-ға дейін (A) -ке дейін.
Райдафонның әмбебап бірлескен муфталары, соның ішінде SWC сериялары, оның ішінде шанышқы бас дизайнымен жасалады - бұл күш-жігермен байланысты мәселелер, бұл күш-жігерді 30% -50% -ға арттырады және тиімділікті 98,6% құрайды. Бұл ерекшеліктер біздің өнімдерімізді теңдестірілген, жоғары сапалы шешімдерді қажет ететін мамандар үшін ең жақсы таңдау жасайды.
Әмбебап муфталар - Райдафонның SWC картандық білігі әмбебап бірлескен муфталар - бұл өндірістік тарату жүйелеріне үлкен пайда әкеледі. Олар моментті тиімді түрде түзетілмеген біліктер арасында тиімді жылжытады, барлық ауытқулармен айналысады, сонымен қатар, олар қатты орталардан өте жақсы ортада, моментпен бірлескен муфтаның ерітінділеріне сәйкес келеді.
Олардың негізгі артықшылықтарына батырайық: Біріншіден, олар сәйкессіздік үшін өте жақсы. Әмбебап муфталар бұрыштық, осьтік және радиалды сәйкес келмеді, бұл 25 градусқа дейін, бұл оларды жылжымалы диірмен операциялары үшін сенімді ауыр бірлескен бірлескен муфт етеді. Олар мұны тым механикалық күйзеліске немесе діріл қоспай-ақ жасайды, сондықтан сіздің машинаңыз қорғалған.
Содан кейін олардың қатаң ұзақтылығы және ұзақ қызмет ету мерзімі бар. Біз бұл муфталарды интегралды шанышқы дизайнымен және жоғары беріктігі бар материалдармен жасаймыз, олар болттар сияқты қауіп-қатерге ұшырайды, олар болттар сияқты қауіп-қатерге байланысты, құрылымдық тұтастықты 30% -50% құрайды. Сондықтан лифтингтегі және материалдық жұмыс істейтін жабдықтардың ұзаққа созылған SWC әмбебап бірлескен білік муфтасы қатты жағдайда ұзақ уақыт бойы жақсы жұмыс істейді; Бұл дәстүрлі модельдерді ұзақ соққылармен шығарады.
Олардың сонымен қатар жүктеме және моменттің жоғары деңгейі бар. Ауыр салмақтарды игеріп, номиналды кернеулерді 0,15-тен 1000-ға дейін жеткізуге арналған, өндірістік әмбебап бірлескен муфта, ауыр техниканың әмбебап бірлескен муфтациялық жүйелерде жарқырайды. Бұл қондырғыларда экстремалды жүктемелердің дәйекті өнімділігі - бұл үзіліс, және бұл муфта әрдайым жеткізіледі.
Электр қуатын беру тиімділігіне қатысты, оларды ұру қиын. 98,6% тиімділікті соғу, SWC ауыр жалпыға бірдей бірлескен муфталар энергияның жоғалуын азайтады. Бұл оны жоғары энергетикалық индустриялық қосымшаларда және уақыт өте келе тиімді энергия беру үшін тиімді әмбебап бірлескен муфта, ал тиімділігі нақты шығындарды үнемдеуге қосылады.
Соңғысы, бірақ олар энергияны үнемдейді және тыныш жұмыс істейді. Энергияны үнемдейтін әмбебап бірлескен муфтациялық шешімдер ретінде олар электр қуатын пайдалануды тоқтатады және олар тек 30-40 дБ (A) жұмыс істейді. Дәл осы төмен шулы бірлескен муфта, онда шу алаңдайтын өнеркәсіптік орындарға өте ыңғайлы, сіз қатты жұмыс істемейсіз.
Әмбебап муфталар - қарапайым, бірақ қарапайым бірлескен муфталар - қарапайым, бірақ тиімді механикалық идеямен жұмыс істейді: олар момент пен моментпен қозғалады, олар бөртпелермен, бұрыштық, осьтік, осьтік, осьтік және радиалды безендірілмейтін екі біліктер арасында айналмалы қозғалыста қозғалады. Мысалы, Раядафонның SWC картаның білігін алыңыз, мысалы, бұл қағиданың керемет көрмесі. Ол кросс-тәрізді пивот қолданады (біз оны көбінесе біз оны өрмекші деп атаймыз), әр білікке ілулі, сондықтан қуатпен айналысады, тіпті бос емес өндірістік қондырғыларда да.
Бұл қалай жұмыс істейтіні, бұл өзекті, бұл пивот: бұл моментке жеткізілім дәйекті сақтай отырып, біліктерге тәуелсіз айналады. Бұл жоғары момент әмбебап бірлескен муфта минималды жылдамдыққа да, әсіресе, әсіресе, әсіресе, ол екі бірлескен дизайн болған кезде, сондықтан ол кәдімгі бірлескен дизайнға ие болған кезде, ол жылжымалы диірменмен жұмыс істеуге өте ыңғайлы. Рэйдафонның SWC серияларымен біз осы механизмді одан да жақсырақ ету үшін біріктірілген шанышқының дизайнын қостық: бос болттар сияқты проблемалардан арыламыз, құрылымдық күш сияқты құрылымдық беріктігін 30% -50% арттырады және оған жоғары стресстік жерлерде ұзақ уақыт көмектеседі.
Бұл принцип жүк көтергіштігін де қолдайды. Муфтаны номиналы 0,15-тен 1000-ге дейін, φ58 және φ620 аралығында гиративті диаметрі 0,15-тен 1000-ға дейін, сондықтан лифтингте және материалды өңдеуге арналған қосалқы қосалқы қосарланған білікті мықтап, қатты жұмыс істеу үшін осындай қатты жұмыс. Сонымен қатар, өндірістік әмбебап бірлескен муфта 98,6% дейін берілу тиімділігіне, ауыр машиналарда энергияны пайдалануды азайту әмбебап бірлескен муфталар жүйелеріне дейін.
Оның үстіне, Райдафонның SWC-дің көптеген әмбебап бірлескен муфтасы қағидаттарға сәйкес келетін ерекшеліктері бар, олар үздіксіз жұмыс істеуге бағытталған ерекшеліктері бар: ол тұрақты, ал ол тұрақты және шу 30-40 дБ (а) аралығында болады. Бұл оны ірі қуатты беріліс үшін тиімді әмбебап бірлескен муфт және жоғары қуатты өндірістік қондырғылар үшін энергияны үнемдейтін жалпыға ортақ бірлескен шешім қабылдайды. Барлығы бірдей, шу шығарылған әмбебап бірлескен муфта заттарды тыныш ұстайды, сондықтан ол шу шығаратын жерлерде керемет жұмыс істейді.
⭐⭐⭐⭐⭐ Ли Кун, аға инженер, Цзянсу энергетикалық жабдықтарының коу, ЖШС
Біз Раядафонның SWC-BF стандартты флейс түрін бірнеше ай бойы бірнеше ай бойы қолдандық және ол керемет өнер көрсетті. Бұл муфтаның ең икемділігі - бұл біздің машиналарымыздың икемділігі, әсіресе біліктің туралануын өтеу туралы ойластырылған. Оны орнату тегіс процесс, қиын қадамдар, және дәнекерлеу сапасы өте жақсы көрінеді, сондықтан бізге тыныштық береді, бұл бізге жалғасады. Бағасы үшін бұл өте жақсы, егер сіз өте жақсы, ал егер сіз ауыр машина жасау саласында болсаңыз, мен бұл икемді фланецті әмбебап муфталарды ұсынамын.
⭐⭐⭐⭐⭐ Джон Дэвис, инженер-механик, Manchest Technication Ltd., Ұлыбритания
Манчестер мекемесінде біз Раядафонның SWC-BF SWC-BF стандартты Flex Flange Type Universal Moblar-қа ескі муфтадан алдық, ал айырмашылық бірден айқын болды. Бұл әмбебап муфт қуатты тегіс және тиімді қозғалады, тіпті біз оны жоғары стресстен өткізіп жатырмыз - ол ешқашан кетпейді. Оның қатал дизайнымен жұпталған икемділік біздің машиналарымызды тұмсықсыз басқарады. Плюс, Райдафон бізге тез жеткізілді, және олардың клиенттерге қызмет көрсетуі барлық сатып алу тәжірибесін жақсы көрді. Бұл сенімді икемді фланецті әмбебап муфт ұсыныңыз!
⭐⭐⭐⭐⭐ Matteo Rossi, Операциялық менеджер, Милан өндірістік шешімдері, Италия
Біз әмбебап муфталық аң аулауға жаттық, бұл сәйкессіздіктерді жақсы жеңе алдық, және біз Рэдафонның SWC-BF стандартты Flex Flex Fleange Type Universal Mupling-ті қалай таптық. Біз оны бірнеше апта бойы қолдандық, және мен оның барлық қораптарымызды тексеретіндіктен айта аламыз. Оны орнату оңай, қосымша қиын болды, тіпті біз оны қиын жағдайда қойғанда да, олай болады. Сапа бағасы үшін ерекше, бұл біздің техникаға арналған ақылды инвестиция. Мен бұйымға да ризамын, және Рейнафонға қызмет еткен қызметіміз де бізге өте ризамын.
Райдафон жай өндіруші емес, біз тек өндіруші - біз жоғары деңгейлі тарату компоненттері мен өндірістік техниканың шешімдерін жеткізуші және біз SWC картаның білігінің әмбебап бірлескен муфтасы сияқты терең сараптама алдық. Біз инновациялар мен сапа бастадық, және уақыт өте келе біз өзіміздің құрамына кірдік, біз өзіміздің құрамдас бөліктеріне, білікшікті, гидравликалық цилиндрлерге, гидравликалық цилиндрлерге, гидравликалық цилиндрлерге, гидравликалық және кеңейтілген станоктарға, соның барлығына ауылшаруашылық және ауыр өндіріске сәйкес келеді. Біздің жоғары момент әмбебап бірлескен муфтаның ерітінділері күтіммен жасалады, моментті тегіс және сәйкессіздіктер дұрыс және тураланулармен өңделеді, олар жылжымалы диірмен операциялары үшін сенімді ауыр әмбебап бірлескен муфталар қажет.
Біздің өндірістік нысандарымыз - заманауи: бізде CNC шеберханалары, тегістеу және жылумен емдеуге арналған беріліс және 3D өлшеу жүйелері бар. Біз ISO9001 / TS16949 сияқты қатаң стандарттарға бағынамыз, сондықтан біз жасай алатын әрбір өндірістік әмбебап бірлескен муфталық муфт дәл және салынған. Біздің берік SWC әмбебап бірлескен біліктерін көтеріп, көтергіш және материалдық өңдеу жабдықтарын алыңыз, мысалы, жүктелетін жүктерді қажет ететін жерлер үшін оңтайландырды. Және біздің SWC ауыр жалпы әмбебап бірлескен муфтасы? Бұл төтенше жағдайларда жалпыға ортақ бірлескен муфталар жүйесіндегі проблемаларды шешеді, онда төтенше жағдайларда тұрақты тұра алады.
Біз жаһандық жетістікке жетеміз, біздің өнімдеріміздің 80% -ы біздің өнімдеріміздің 80% -ы АҚШ, Германия, Жапония, Италия, Малайзия, Австралия және Таяу Шығыс сияқты базарларға экспортталады. Бізде Қытай, Оңтүстік Корея, Ұлыбритания, Сингапур, АҚШ және Испанияда мықты желі, АҚШ және Испания бар, бұл бізге үлкен қуатты берудің қолданыстағы функцияларын жасауға мүмкіндік беретін. Олар нақты қажеттіліктерге бейімделген, біздің энергияны үнемдейтін әмбебап бірлескен муфтаның шешімдері сияқты, жоғары қуатты қондырғыларда 98,6% -ға дейін энергияны азайтуды төмендететін энергияны азайту.
Бізге тұрақты даму және клиенттерге бағытталған инновациялық мәселе. Сондықтан біз шу шығаратын жалпы бірлескен муфталық нұсқаларды ұсынамыз, олар 30-40 дБ (a) -дан (а) -дан (а) -дан тұратын доб (A) -мен айналысады, онда шу шығарылған. Біз бәрін сатудан кейінгі қолдауды толықтай қайтарамыз. Біздің дұрыс істемеуіміз - РАДАФОН МАҢЫЗДЫ ТӨЛЕМДЕРДІҢ ӨЗГЕРТУЛЕРІНІҢ ЖАУАПКЕРШІЛІКТІ ЖАБДЫҚТАРДЫҢ ЖАБДЫҚТАРЫМЫЗДЫҢ ЖАБДЫҚТАРЫ ЖӘНЕ ДЕНСАУЛЫҚТАРДЫ ЖАБДЫҚТАРДЫ ЖОҚ.
Мекенжай
Луотуо индустриалды ауданы, Жеңьки ауданы, Нингбо қаласы, Қытай
Тел
Электрондық пошта


+86-574-87168065


Луотуо индустриалды ауданы, Жеңьки ауданы, Нингбо қаласы, Қытай
Авторлық құқық © Raydafon Technology Group Co., шектеулі барлық құқықтар қорғалған.
Links | Sitemap | RSS | XML | Құпиялылық саясаты |
