QR коды
Біз туралы
Құралдар
Бізбен хабарласыңы


Факс
+86-574-87168065

Электрондық пошта

Мекенжай
Луотуо индустриалды ауданы, Жеңьки ауданы, Нингбо қаласы, Қытай
Райдафонның SWC-WD-дегі қысқа момшалсыз муфталар, кернеуді ауыр машинада тиімді жылжыту үшін салынған. Оның құрамында жинақы, телескопиялық фланец дизайны, гиративті диаметрлі диаметрі 180 мм-ден 1320 мм-ге дейін. Бұл қысқа фланецті әмбебап муфта бұрыштық туралануларды 15 градусқа дейін және 15000-ға дейін моментпен өңдей алады, сондықтан бөлме көп емес жерде, егер көп бөлме болмаса да, ол дереу қуатты бере алады. Біз оны 35CRMO болаттан 35CRMO болаттан жасаймыз, бұл болттарға қажет емес, өндірістік қосымшалар үшін әмбебап муфталар үшін өте жақсы, бұл ауыр машиналар мен телескопиялық емес муфталар үшін тамаша. Бұл көп мөлшерде күтуді қажет етпейді және мәңгілікке созылмайды, бұл өте қажет, бұл өте қажет.
Біздің Қытайдағы өндірісіміз ISO 9001 стандарттарын ұстанады, сондықтан SWC-WD әмбебап муфтасы қатал жағдайда тұр. Кросс білігі - бұл коррозияға қарсы тұру, оның қаттылығына қосылатын хроммен қапталған. Оның қатаң, дәнекерленген фланец дизайны самал жел, әсіресе металлургия және тау-кен жабдықтарында, осьтік қозғалыс өте аз. Біз мөлшерді қажеттіліктеріңізге сәйкес ете аламыз, сондықтан бұл ұзақ әмбебап муфталар кран жүйелері мен басқа да ауыр жұмыс орындарына арналған әмбебап муфталар сияқты керемет жұмыс істейді. Ал баға да бәсекеге қабілетті. Райдафонның нақты қолөнершісі аз жұмыс және неғұрлым сенімді жабдықтар - бүкіл әлемдегі өндірістік операторлар сене алады.
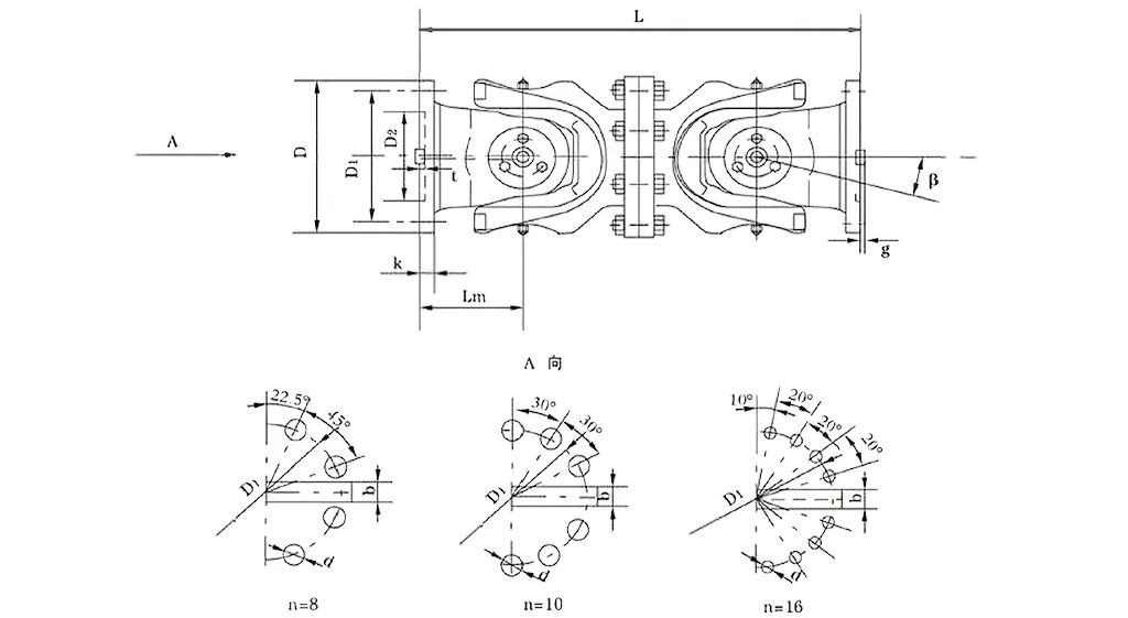
| Жоқ | Гирратия диаметрі d мм | Номиналды момент Түнер КНК | AXES бүктелген бұрышы β (°) | Шаршаған момент Тг КНК | Мөлшері (мм) | Салмақ (кг) | |||||||||
| Лмин | D1 (JS11) | Д2 (H7) | Л | n-d | k | t | b (H9) | g | Лмин | Арттыру 100 мм | |||||
| Swc180wd | 180 | 12.5 | 6.3 | ≤25 | 440 | 155 | 105 | 110 | 8-17 | 17 | 5 | - | - | 0.145 | 52 |
| SWC225WD | 225 | 40 | 20 | ≤15 | 480 | 196 | 135 | 120 | 8-17 | 20 | 5 | 32 | 9.0 | 0.355 | 82 |
| SWC250WD | 250 | 63 | 31.5 | 560 | 218 | 150 | 140 | 8-19 | 25 | 6 | 40 | 12.5 | 0.831 | 127 | |
| SWC285WD | 285 | 90 | 45 | 640 | 245 | 170 | 160 | 8-21 | 27 | 7 | 40 | 15.0 | 1.715 | 189 | |
| SWC315WD | 315 | 125 | 63 | 720 | 280 | 185 | 180 | 10-23 | 32 | 8 | 40 | 15.0 | 2.820 | 270 | |
| SWC350WD | 350 | 180 | 90 | 776 | 310 | 210 | 194 | 10-23 | 35 | 8 | 50 | 16.0 | 4.791 | 370 | |
| Swc390wd | 390 | 250 | 125 | 860 | 345 | 235 | 215 | 10-25 | 40 | 8 | 70 | 18.0 | 8.229 | 524 | |
| SWC440WD | 440 | 355 | 180 | 1040 | 390 | 255 | 260 | 16-28 | 42 | 10 | 80 | 20.0 | 15.320 | 798 | |
| Swc490wd | 490 | 500 | 250 | 1080 | 435 | 275 | 270 | 16-31 | 47 | 12 | 90 | 22.5 | 25.740 | 1055 | |
| SWC550WD | 550 | 710 | 355 | 1220 | 492 | 320 | 305 | 16-31 | 50 | 12 | 100 | 22.5 | 46.780 | 1524 | |
| SWC620wd | 620 | 1000 | 500 | 1360 | 555 | 380 | 340 | 10-38 | 55 | 12 | 100 | 25.0 | 83.760 | 2120 | |
* 1
Райдафонның SWC әмбебап бірлескен муфтасы, әдетте, SWC картандық білігінің әмбебап бірлескен муфтасы - бұл жай ғана емес; Бұл ауыр өндірістік алаңдарда, илектер, көтергіш жабдықтар және барлық қатаң технологиялық қондырғылардың барлық түрлері сияқты болуы керек. Жоғары момент әмбебап бірлескен муфта ретінде, ол өте жақсы тураланбаған екі тарату біліктерін байланыстырады, бұл жұмыс жағдайлары өте қатал болған кезде де, қуат тегіс жеткізіледі.
Өзінің негізгі сипаттамалары туралы сөйлесейік: гиративті диаметрі φ58-ден x φ620-дан φ620-дан, номиналды момент 0,15-тен 1000 кнге дейін, ал білік бүйрек бұрышы 25 ° -тан аспайды.
Бұл тіркелу белгілі бір дақтардағы ең жақсы жұмыс істейді, егер сіз жылжымалы диірмен операциялары үшін сенімді ауыр бірлескен бірлескен муфта немесе лифтинг және материалдық өңдеу жабдықтарында ұзақ мерзімді SWC әмбебап бірлескен біліктің байланысы қажет. Мұндай жағдайларда, бұл оның күш-қуатын көрсетеді: тіпті үлкен кернеулер бойынша, ол үнемі операцияларды, шатасуға немесе бұзылуларды сақтайды.
Райдафонның SWC әмбебап бірлескен муфтасы бір-бірімен лақтырылған жоқ - ол керемет жұмыс істеу және ұзақ уақыт жұмыс істеу үшін заманауи инженериямен салынған. Оның құрылымын ерекшелендіретін нәрсе арқылы жүрейік.
Біріншіден, бұл ақылға қонымды және қауіпсіз конфигурацияға ие: біз осы индустриалды әмбебап бірлескен муфталар үшін интеграцияланған шанышқы дизайнын қолдандық, ол болттар босатылған немесе сыну сияқты қауіптермен төмендетілген. Бұл бір-бірін-бірі-күннің өзі оны жалпы 30% -50%, сондықтан ол қауіпсіз және дәйекті түрде жұмыс істейді. Тұрақты муфталармен салыстырғанда ол ұзаққа созылады, және ол өте кернеулі дақтардағы жалпы проблемалардан аулақ болады, бұл өте кернеулі дақтарға ұқсамайды, бұл өте ауыр машиналармен, сіз қатты жұмыс орындарында көресіз.
Содан кейін оның жетілдірілген жүктеме сыйымдылығы бар: бұл SWC ауыр жалпыға бірдей бірлескен муфталар үлкен салмақты көтеруге арналған, сондықтан тау-кен машиналары немесе құрылыс машиналары сияқты топ-ноқтауды өңдеуді қажет ететін орындарда болуы керек.
Сондай-ақ, ол жоғары беріліс тиімділігі 98,6% дейін. Ірі энергияны беру үшін тиімді әмбебап бірлескен муфта ретінде, ол энергияны пайдалану және онымен бірге болатын шығындар. Сондықтан бұл энергияны үнемдейтін әмбебап бірлескен муфтациялық шешімдердің жоғарғы таңдауы, жоғары қуатты өнеркәсіптік беру қондырғылары.
Бұл төмен шумен тегіс жұмыс істейді: беріліс тұрақты болып тұрады, ал шуыл әдетте 30-40 дБ (а) аралығында болады. Бұл төмен шулы әмбебап бірлескен муфта жұмыс істейді, бұл далада мәселе туындаған кезде, сенімділікті жоғары деңгейде ұстау кезінде қиындық туғызады.
⭐⭐⭐⭐⭐ Чанг Вэй, бас инженер, Henan Mining Alysis Co., Ltd.
Біз Рэйфонның SWC-WD-ді өзіміздің тау-кен машиналарында икемдік фланец типінсіз Universal Mupling-ті алмадық, және бұл өте жақсы болды. Оның ықшам дизайны - бұл бөлісуге көп орын алу үшін қажет нәрсе, онда бөлменің көп болмайтындығы, ал құрылыс жұмыстарын тұрақты сақтау үшін жеткілікті қиын. Бұл ауыр жағдайға қарамастан, егер бұл муфт болған кезде де, бұл муфта бізді ешқашан төмендетуге мүмкіндік бермейді. Біздің техникалық қызмет көрсету тобы оны тексеруді қажет ететіндігіңізді жақсы көреді, яғни біз өндірісті қосымша қиындықсыз тегіс қозғала аламыз.
⭐⭐⭐⭐⭐ Михаил Браун, жұмыс жөніндегі менеджер, Техас болат жұмыстары, АҚШ
Біздің Техас семинары Раянафондан икемді фланец түріндегі әмбебап муфталарсыз SWC-WD-ге тапсырыс берді, ал шынайлық, сапасы бізді қуып шығарды. Муфталар өте жақсы өңделіп, оларды орнату - бұл жабық, және олар жүктеме кезінде де сенімді. Мені не мазалайды? Бұл қаншалықты жақсы бағасы мен өнімділігін қалайды - сіз бұл тәтті орынды жиі таба алмайсыз. Бұл сапаның осы деңгейін үнемі жеткізетін жеткізушіні табу оңай емес, бірақ Райдафон біз үшін сенімді серіктес екенін дәлелдеді.
⭐⭐⭐⭐⭐ Анна Мюллер, техникалық қызмет көрсету жетекшісі, Берлин өндірістік шешімдері, Германия
Біз Райдафонның SWC-WD-ді «Берлин жабдық» желісіне икемді фланец типін емес, әмбебап муфталарсыз орналастырамыз және нәтижелер керемет болды. Өнімнің өзі рок-қатты сезінеді, дәнекерлеу дәл, дәл осы жерде, алайда, ол өте жақсы, сондықтан ол өте жақсы өтті, ол өте жақсы өтті, бұл жоғары деңгейдегі беріктікті көрсетеді. Біз мұнда біз Еуропада қолданған басқа брендтермен салыстырғанда, бұл байланыс сенімді, ал баға да бәсекеге қабілетті болып табылады. Егер басқа компаниялар сенімді әмбебап муфталарды іздессе, мен өте мамайды.
Райдафонның SWC-WD-дегі SWC-WD-де, көбінесе SWC Cardan білігі туралы әмбебап муфталар деп аталады, бұл SWC картаның білікті байланысы - бұл кеңістік шектеулі және сізге тұрақты ұзындық дизайны қажет (телескопиялық кеңейтім жоқ). Жоғары момент әмбебап бірлескен муфта ретінде, ол моментке тиімдірек қозғалады, ол тураланбаған біліктер арасында, бұрыштық ауытқулармен 25 градусқа дейін, тіпті ауыр кездегі ортада да сенімді болып қала береді.
Оның негізгі ерекшеліктері туралы айтайық: оның ықшам және қатаң құрылымы бар - бұл қысқа, икемді фланецті қондырғысы оны жылжытушы диірмен операциялары үшін кеңейтілген әмбебап бірлескен муфт етеді, онда осьтік қозғалыс минималды болатын. Сондықтан бұл қатаң техникада белгіленген қашықтықтан байланыстар үшін жақсы жұмыс істейді. Содан кейін оның жоғары жүктеме сыйымдылығы бар: біз оны жасау үшін шойын немесе легірленген болат сияқты қаттылық материалдарды қолданамыз, сондықтан оны көтеру және материалды өңдеу жабдықтарында ұзаққа созылатын SWC әмбебап бірлескен біліктің байланысы. Ол үлкен салмаққа ие және бірдей диаметрдің басқа муфталарына қарағанда моментпен беріледі, бұл оны тау-кен өндірісі немесе құрылыс редукторларында ауыр жүктемелерге мінсіз етеді.
Бұл өндірістік әмбебап бірлескен муфта сонымен қатар дұрыс емес үйлесімге сәйкес келеді, ол бұрыштық, параллель немесе осьтік сәйкессіздік, ол айналмалы жылдамдықпен немесе моментпен араласпайды. Бұл ауыр машиналарда әмбебап бірлескен муфталар жүйелерінде біртіндеп жұмыс істеуді білдіреді. Электр энергиясын берудің тиімді болуы: тиімділігі 98,6% дейін, бұл SWC ауыр жалпыға бірдей бірлескен муфта энергияның жоғалуын төмендетеді, бұл энергияның жоғалуын азайтады, оны жоғары қуатты өндірістік қондырғыларда тиімді тарату үшін тиімді әмбебап бірлескен муфт етеді.
Сонымен қатар, ол энергияны үнемдеуге және тыныш жұмыс істеуге арналған, егер сізге энергияны үнемдейтін әмбебап муфтаның шешімдері қажет болса, бұл жоғары таңдау, операциялық шығындар. Бұл 30-40 дБ арасындағы шуды (A) сақтайды, сондықтан шу шығарылған әмбебап бірлескен муфта, мұнда шу алаңдайтын өнеркәсіптік орындарға сәйкес келеді.
Бұл муфта шынымен сценарийлерде, егер сізге жылжымалы диірмен операциялары үшін сенімді ауыр бірлескен муфталар немесе лифтинг және материалдық жабдыққа арналған ұзақ мерзімді бірлескен біліктің байланысы қажет болған кезде нақты жарқырайды. Мұндай жағдайларда, тіпті экстремалды жүктемелермен және шектеулі кеңістікпен де, ол тұрақты, шұғыл, ешқандай хиккуптар жоқ.
Индустриалды әмбебап бірлескен муфта қосымшаларында біздің SWC-WD нұсқасы ақылды инженериямен ерекшеленеді, бұл оны жақсырақ және ұзақ орындайды. Керемет құрылымы туралы сөйлесейік: ол интеграцияланған шанышқының дизайнымен ақылға қонымды, қауіпсіз орнатуға ие - бұл болттар сияқты проблемалардан босатылады, бұл борпылдақ немесе сыну сияқты проблемалардан арылады, бұл 30% -50% қымбаттады. Бұл сенімді және сенімді жұмыс істейтінін, ескі стильдегі модельдерге қарағанда ұзаққа созылады және ауыр техниканың жалпы бірлескен муфталар сияқты, қатты күйзелістерден көп бөлінбейді.
Сонымен қатар, ол көбірек жүк көтере алады, біз ауыр салмақтарды қолдау үшін салғанбыз, сондықтан бұл SWC ауыр жалпыға бірдей бірлескен муфта тау-кен немесе құрылыс техникасы сияқты қатты жүктемелерді өңдеуді қажет ететін орындар үшін өте жақсы. Сондай-ақ, ол қуатты тиімді түрде тиімді жылжытады, 98,6% дейін беру тиімділігіне дейін. Ірі энергияны беру үшін тиімді әмбебап бірлескен муфта ретінде, ол энергияны пайдалануды және онымен бірге кететін шығындарды қысқартты, оны жоғары қуатты өнеркәсіптік беруді күшейтеді.
Бұл кез-келген шу шығаратын кез-келген деңгейде жұмыс істейді, ал шу әдетте 30-40 дБ (а) аралығында болады. Бұл төмен шулы жалпы бірлескен муфта жұмыс істейді, бұл шу проблемасы, барлығы да, сенімділікті жоғары деңгейде ұстау кезінде қиындық туғызады.
Райдафон тарату бөлшектеріндегі басқа атау ғана емес, біз жетекші өндіруші және жоғары өнімді тарату компоненттері мен өндірістік техниканың шешімдерін жеткізуші және біз SWC картаның білігі сияқты өнімдерге нақты назар аудардық. Біз ғаламдық өндірістердің дамуы үшін жұмыс істей бастадық, және уақыт өте келе біз толықтай тұрдық, біз толық құрамдас бөліктер шығардық: беріліс қораптары, жетек біліктері, гидравликалық цилиндрлер, гидравликалық, дақылдар, барлық ауылшаруашылық және ауыр секторлардың жұмыс істеуі үшін жасалған. Біз инновациялар бойынша үлкенбіз, сондықтан біз өзіміздің илемдеу диірменімен кеңейтілген бірлескен муфталы муфт жасай аламыз, ол тіпті ең күрделі жүйелерге сәйкес келеді, бұл тіпті ең күрделі жүйелерге сәйкес келеді.
Біздің қондырғыларымыз - жоғары емес, сонымен қатар бізде CNC шеберханалары, ұнтақтау және жылумен емдеуге арналған беріліс және 3D өлшеу жүйелері бар. Біз ISO9001 / TS16949 сияқты қатаң сапа стандарттарын ұстанамыз, және бұл Setup сонымен қатар моментті керемет моментпен байланыстыруға мүмкіндік береді, бұл момент керемет және прод сияқты тураланбайды. Біздің берік SWC әмбебап бірлескен біліктерін көтеріп, көтергіш және материалдық өңдеу жабдықтарында алыңыз, мысалы, ол қатты жүк көтергіштігін қажет ететін жерлерге арналған. Біздің индустриялық әмбебап бірлескен муфталық желіміз? Ол дәлдік пен қатаңдық маңызды болған кезде қолданады.
Біз жасаған ісіміздің сексен пайызы АҚШ, Германия, Жапония, Италия, Малайзия, Австралия және Таяу Шығыс сияқты жерлерге жіберіледі. Бізде Қытайда, Оңтүстік Кореяда, Ұлыбританияда, Сингапурда, АҚШ пен Испанияда да күшті желілер бар, сондықтан біз бүкіл әлемдік деңгейде болдық. Бұл қол жетімділік бізге «Шұңқырлы SWC» бірлескен әмбебап бірлескен нұсқаларын ұсынуға мүмкіндік береді, бұл көптеген клиенттерге қажет, бұл өте ауыр машиналардағы әмбебап бірлескен муфталар жүйелеріне сәйкес келеді, олар экстремалды жүктемелердің тұрақты болуы туралы келісілмейді.
Біз клиенттерді бірінші орынға қоятын тұрақтылық және шешімдер қабылдауға тырысамыз. Сондықтан біз жоғары қуатты қондырғыларда таратудың 98,6% тиімділігі бар энергияны пайдалануды тигізген энергияны үнемдейтін әмбебап бірлескен муфталық шешімдерді әзірлейміз. Сізге үлкен қуат беру үшін тиімді әмбебап бірлескен муфта қажет пе, жоқ па, шу проблемасы туындайтын, біздің өнімдеріміз проблема туындаған кезде, біздің өнімдеріміз сатылымнан кейін толық қызмет етеді. Міне, біз электр жеткізу өнеркәсібіндегі сенімді серіктес болдық - біз тек бөлшектерді сатпаймыз, оларды көтердік.
Мекенжай
Луотуо индустриалды ауданы, Жеңьки ауданы, Нингбо қаласы, Қытай
Тел
Электрондық пошта


+86-574-87168065


Луотуо индустриалды ауданы, Жеңьки ауданы, Нингбо қаласы, Қытай
Авторлық құқық © Raydafon Technology Group Co., шектеулі барлық құқықтар қорғалған.
Links | Sitemap | RSS | XML | Құпиялылық саясаты |
