QR коды
Біз туралы
Құралдар
Бізбен хабарласыңы


Факс
+86-574-87168065

Электрондық пошта

Мекенжай
Луотуо индустриалды ауданы, Жеңьки ауданы, Нингбо қаласы, Қытай
Икемдік фланец типінсіз Рэйдафонның SWC-WF әмбебап муфтасы ауыр машинада жоғары момент беру үшін жасалады, деп ойлайтын металлургия жабдықтары, крандар, тау-кен жүйелері, барлық қиын қуат қажет. Оның икемді емес дизайны, гиративті диаметрлі дизайн, гиративті диаметрлер 160 мм-ден 640 мм-ге дейін, ал фланец типі әмбебап муфталар үлкен бұрыштық туралануларды өңдейді, сонымен қатар үлкен талап етілмейді, тіпті өте қажет шарттарда жұмыс істемейді. Біз оны құрастыру үшін жоғары беріктігі 35CRMO болатты қолданамыз, сондықтан ол қарқынды жүктемелерге ие, сондықтан ол өте жақсы болады - бұл өте жақсы, сондықтан бұл өндірістік қосымшалар үшін әмбебап муфталар үшін және икемді емес әмбебап муфталар үшін. Райдафонның дәлдігін өндірісі әр уақытта, әсіресе дұрыстығындағы моментпен жеткізілмейтін салалар үшін қатты өнімділікті жеткізетініне көз жеткізеді.
Бұл SWC-WF әмбебап муфтаны, қатаң фланец қосылымымен салынған, ол қондырғыға оңай орнатылады, бұл кеме жасау дискілері мен жылжымалы диірмендер сияқты жүйелерде оңай жасалады, онда осьтік қозғалыс көп емес. Біз ISO 9001 стандарттарын қатаң қадағалаймыз, және біздің Қытайға негізделген фабрика осы тұрақты фланецті әмбебап муфтасын жасау үшін кеңейтілген технологиялық және тығыз сапалы тексерулерді қолданады. Ол теңшелетін өлшемдерде, момент 1250 КНЖ-ға дейін келеді, сондықтан металлургия жабдықтарына және басқа да ауыр қондырғыларға арналған әмбебап муфталарға сәйкес келеді. Райдафон сонымен бірге бәсекеге қабілетті бағамен арнайы шешімдерді ұсынады, тоқтап қалуға және жабдықтың сенімділігін арттыруға көмектеседі.
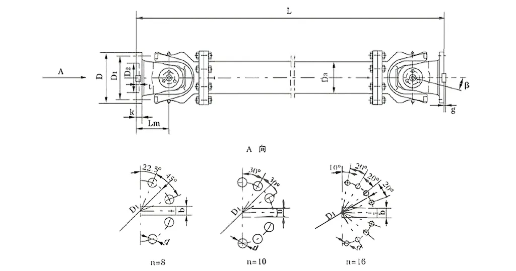
| Жоқ | Гирратия диаметрі d мм | Номиналды момент Түнер КНК | AXES бүктелген бұрышы β (°) | Шаршаған момент Тг КНК | Мөлшері (мм) | Айналмалы инерция кг.м2 | Салмақ (кг) | |||||||||||
| Лмин | D1 (JS11) | Д2 (H7) | Д3 | Л | n-d | k | t | b (H9) | g | Лмин | Арттыру 100 мм | Лмин | Арттыру 100 мм | |||||
| SWC285WF | 285 | 90 | 45 | ≤15 | 810 | 245 | 170 | 194 | 160 | 8-21 | 27 | 7 | 40 | 15 | 2.664 | 0.051 | 220 | 6.3 |
| SWC315WF | 315 | 125 | 63 | 915 | 280 | 185 | 219 | 180 | 10-23 | 32 | 8 | 40 | 15 | 4.469 | 0.0795 | 300 | 8.0 | |
| SWC350WF | 350 | 180 | 90 | 980 | 310 | 210 | 267 | 194 | 10-23 | 35 | 8 | 50 | 16 | 7.388 | 0.2219 | 412 | 15.0 | |
| SWC390WF | 390 | 250 | 125 | 1100 | 345 | 235 | 267 | 215 | 10-25 | 40 | 8 | 70 | 18 | 13.184 | 0.2219 | 588 | 15.0 | |
| SWC440WF | 440 | 355 | 180 | 1290 | 390 | 255 | 325 | 260 | 16-28 | 42 | 10 | 80 | 20 | 23.250 | 0.4744 | 880 | 21.7 | |
| Swc490wf | 490 | 500 | 250 | 1360 | 435 | 275 | 325 | 270 | 16-31 | 47 | 12 | 90 | 22.5 | 40.750 | 0.4744 | 1173 | 21.7 | |
| SWC550WF | 550 | 710 | 355 | 1510 | 492 | 320 | 426 | 305 | 16-31 | 50 | 12 | 100 | 22.5 | 68.480 | 1.3570 | 1663 | 34.0 | |
| Swc620wf | 620 | 1000 | 500 | 1690 | 555 | 380 | 426 | 340 | 10-38 | 55 | 12 | 100 | 25 | 127.530 | 1.3570 | 2332 | 34.0 | |
* 1
* 2. L-Орнату ұзындығы, ол талапқа сәйкес.
Райдафонның SWC-WF-тің икемдік фланец түрі жоқ, сонымен қатар, SWC картандық білікті әмбебап бірлескен муфталар деп те аталады, бұл негізгі механикалық идеямен әмбебап бірлескен муфталармен жұмыс істейді: ол екі коллайзиялық біліктерден момент алады, ал ол дұрыс емес жерге момент алады және ол дұрыс емес байланыстырады. Бұл жоғары крут-әмбебап бірлескен муфта екі ұшындағы фланерлерді екі жағынан байланыстырады, сондықтан біліктерді екі ұшында байланыстырады, сондықтан біліктер 25 градусқа дейін немесе осьтік / радиалды ауытқулар болған кезде де, ол әлі де айналмалы қуатты үздіксіз жылжытады.
Бұл қалай жұмыс істейтіні әмбебап бірлескен дизайн - бұл бір фланецті өздігінен жүруге мүмкіндік беретін крест білігі бар. Осылайша, момент көлікті білігінен басқарылатын білікке тиімсіз және ол қосылған бөліктерге тым көп стрессті қоюсыз бұрыштық туралануларды құрайды. Егер сізге домариялық диірмен жұмыс істеуі үшін сенімді ауыр бірлескен бірлескен муфта қажет болса, бұл қатты, икемді фланец құрылымы тығыз, бұл тығыз ауыр техниканы қондырғылардағы қысқа қашықтықтағы қосылыстар үшін өте жақсы болып табылады.
Оның функциясы қандай екенін анықтайтын нәрсе, оның икемді бөліктері немесе кеңейту ерекшеліктері жоқ, бұл оны басқа түрлерден бөлек етеді және оны осьтік қозғалыс минималды болатын жерлер үшін керемет етеді. Тұрақты SWC әмбебап бірлескен білікті көтеру және материалдық өңдеу жабдықтарында қолданатын жабдықтар осы қағидатқа сүйеніп, үлкен жүктемелерде де теңгерімді болу үшін сүйенеді; Ол тиімділікті 98,6% дейін, көп қуат бермейді. Бұл өндірістік әмбебап бірлескен муфта да вибрологиялық қозғалысының арқасында тербелістерді қысқартады, сондықтан ол өте стресстен де, бұл өте стресстен тыс жағдайларда да, сіз өте жоғары стресс-жағдайларға байланысты, сіз өте күрделі техникалар сияқты, сіз өте күрделі техникалар сияқты, сіз қатты өндірістік жұмыс орындарында көресіз.
Сонымен қатар, Райдафонның SWC-дің көптеген әмбебап бірлескен муфтасы оны ұстап алу үшін дәнекерленген фланецтерді дәнекерлендірді - болттар туралы алаңдамайды, ал олар бос болттар туралы алаңдамайды және жалпы күш-қуатты 30% -дан 50% -ға арттырады. Үлкен қуатты беру үшін тиімді әмбебап бірлескен муфта ретінде, ол номиналды кернеулерді 0,15-тен 1000 кнге дейін өңдейді және φ58-ден β620-дан φ620-дан гиративті диаметрі бар, бұл өндірістік трансмиссияны талап етеді. 30-40 дБ (а) аралығында шуылмен, бұл төмен шулы бірлескен муфта тыныш жұмыс істейді, бұл шу алаңдаушылық үшін өте қолайлы, оларда далалардан жоғары сенімділік стандарттарын сақтайды.
Райдафонның SWC әмбебап бірлескен муфтасы - көбінесе SWC картандық білігінің әмбебап бірлескен муфтасы деп аталады - бұл жай ғана тұрақты бөлігі емес; Бұл ауыр өндірістік қондырғылар үшін, айналмалы диірмендер, жүк көтергіш машиналар және қатты ауыр машина жүйесінің барлық түрлері сияқты болуы керек. Жоғары момент әмбебап бірлескен муфта ретінде, ол жұмыс жағдайлары өрескел болған кезде де, қуат берілмейтін екі тарату біліктерін байланыстыратын қатты жұмыс істейді.
Өзінің негізгі сипаттамалары туралы сөйлесейік: гирратия диаметрі φ58-ден x φ620-дан φ620-дан, номиналды момент 0,15-тен 1000 кнге дейін, ал білік бүйрек бұрышы 25 ° -тан аспайды.
Бұл өнім сізге нақты сценарийлер сияқты, сіз жылжымалы диірмен операциялары үшін сенімді ауыр бірлескен муфта немесе лифтинг және материалдық жабдыққа арналған ұзақ мерзімді бірлескен білік байланысы қажет болған кезде жарқырайды. Мұндай жағдайларда бұл ауыр жүктемелермен айналысқан кезде де, тұрақты, тіпті тұрақты жұмыс жүргізудің құндылығын дәлелдейді.
Райдафонның SWC әмбебап бірлескен муфтасы тек жұмыс істеу үшін салынбайды - бұл өнеркәсіптік пайдалануда жұмыс істейтін және ұзақ мерзімді ұңғымаларды орындау үшін ақылды дизайнмен жасалған. Оның құрылымын ерекшелейтін нәрсені бұзайық.
Біріншіден, бұл ақылға қонымды және қауіпсіз конфигурацияға ие: біз осы индустриалды әмбебап бірлескен муфталар үшін интеграцияланған шанышқы дизайнын қолдандық, ол болттар босатылған немесе сыну сияқты қауіптермен төмендетілген. Бұл оның құрылымдық тұтастығын 30% -50% арттырады, сондықтан ол қауіпсіз және сенімді жұмыс істейді. Тұрақты муфталармен салыстырғанда ол ұзаққа созылады және қатты жұмыс орындарында көркемдіктермен өңделген өрнектер сияқты ортақ күйзелістерден аулақ болады.
Содан кейін оның жақсартылған жүктеме сыйымдылығы бар: бұл SWC ауыр жалпыға бірдей бірлескен муфталар үлкен салмақты көтереді, сондықтан ол тау-кен немесе құрылыс техникасы сияқты жоғары деңгейлі жүктемелерді басқаруды қажет ететін орындарда болуы керек.
Сондай-ақ, ол жоғары беріліс тиімділігін 98,6% дейін жеткізеді. Ірі энергияны беру үшін тиімді әмбебап бірлескен муфта ретінде, ол энергияны пайдалануды және онымен келетін шығындарды азайтады. Сондықтан бұл жоғары қуатты өнеркәсіптік беру қондырғыларындағы энергияны үнемдейтін әмбебап бірлескен ерітінділердің ең жақсы таңдауы.
Бұл төмен шуылмен тегіс жұмыс істейді: ол берілуді жалғастырады, ал шу әдетте 30-40 дБ (а) аралығында тұрады. Бұл төмен шу шығарылған әмбебап бірлескен муфта жұмыс істеп тұрғанына көз жеткізетініне көз жеткізеді, бұл шу проблемасы болып табылады, бұл шу проблемасы, өйткені сенімділікті жоғары деңгейде ұстау кезінде барлығы.
⭐⭐⭐⭐⭐ Chen Liang, өндірістік инженер, «Жезжән» машиналарының Co., Ltd.
Біз Райдафонның SWC-WF-ті біздің өндірістік желілеріміздің біріне икемді фланец типті муфталарсыз қойдық және осы уақытқа дейін ол өте жақсы жұмыс істеп жатыр. Құрылымның қарапайым, бірақ қатаң орнату оны орнату, самал жел, күрделі қадамдар жоқ. Орнатылғаннан кейін ол тегіс, қосымша твиттерге қажет емес. Тіпті жүктеме ауыр болса да, бұл муфта сенімді қалады, яғни біз ұзақ уақыт жұмыс істеп, көп уайымдамай, бізге көп ойланбаймыз.
⭐⭐⭐⭐⭐ Sun Mei, сатып алушы, Hebei Steel Co., Ltd.
Біздің компания икемді фланец түріндегі муфталарсыз бірнеше SWC-WF-ті сатып алды, ал бірінші рет жеткізіліп, жеткізілім уақытында дұрыс болды, ал орамда қаптама мүлдем зақымдалмады. Мен үшін нені білдіреді? Сонымен қатар, басқа жеткізушілермен салыстырғанда, мұндағы баға әділетті. Барлығы біз осы сатып алуға шынымен қуаныштымыз.
⭐⭐⭐⭐⭐ GUO JUN, техникалық қызмет көрсету менеджері, сөздік өнеркәсіп тобы
Менің жұмысым - машиналарымызды жалғастыру, және мен мүмкіндігінше тоқтап қалуға тырысамын. Біз Рэйдафонның SWC-WF-ті икемдік фланецтің жалпыға ортақ муфталарынсыз қолдана бастағандықтан, мен тарапта үлкен тозуды және жұмыс кезінде проблемалар азды байқадым. Дизайн қиын, сондықтан оған көптеген техникалық қызмет көрсету қажет емес. Бұл бізді уақыт пен ақшаны да үнемдейді және бұл біздің жабдықтың үшін өте сенімді бөлігі болып шықты.
Райдафон - Per Power Group Co., Ltd компаниясының негізгі еншілес компаниясы, біз тек жеткізуші емеспіз, бірақ сапалы беріліс компоненттері мен өндірістік шешімдері үшін провайдер және біз SWC карта білігінің әмбебап бірлескен муфтасы сияқты инновациялық өнімдерге көп көңіл бөлеміз. Біз бастағаннан бері біз барлығымыз технологиялар мен жаһандық нарықтарда өсу туралы болдық; Біз бірыңғай компоненттерді сатудан тоқтаған жоқпыз - қазір біз ауылшаруашылық және ауыр өнеркәсіптік қажеттіліктерге сәйкес келетін толық жүйелік шешімдер. Біздің ноу-хау жетекшілігімізде жетекші біліктер мен беріліс өнімдері дегеніміз - илемдеу диірменімен жұмыс істеуге негізделген жалпыға бірдей бірлескен муфталар (және басқа да қатаң жұмыс), бізге сенімді серіктес ретінде санай алады.
Раядада біз көптеген өнімдерді жасаймыз: редукторлар, жетек біліктері, жетек біліктері, гидравликалық цилиндрлер, бөртпе және тіпті CNC велосипедтері және фрезерлік машиналар сияқты кеңейтілген станоктар. Біздің жоғары момент әмбебап бірлескен муфтаның шешімдері - мысалы, SWC сериялары, мысалы, сериялы SWC-тің қатаң талаптарын көтеру үшін салынады, олар лифтингте және материалдық өңдеу жабдықтарында ұзақ уақытқа созылатын SWC әмбебап бірлескен біліктермен қамтамасыз етуді қажет етеді. Бізде жоғары озылған қондырғылар бар: CNC шеберханалары, тегістеу және термиялық өңдеу машиналары, 3D өлшеу құралдары, барлығы ISO9001 / TS16949 стандарттарына сәйкес келеді, сондықтан біз жасай алатын әрбір өндірістік әмбебап бірлескен муфта - бұл жоғары сапалы және дәл.
Біз шетелдегі өнімдеріміздің 80% -ын АҚШ, Германия, Жапония, Италия, Малайзия, Австралия және Таяу Шығыс сияқты базарларға сатамыз. Біз Қытай, Оңтүстік Корея, Ұлыбритания, Сингапур, АҚШ және Испания сияқты күшті желімізге ие болдық. Бұл жаһандық қол жеткізу бізге үлкен жүктемелерге және ұзақ уақытқа созылған ауыр техниканың әмбебап бірлескен жүйелеріне арналған SWC ауыр әмбебап бірлескен муфтасы сияқты жеке шешімдер жасауға мүмкіндік береді.
Инновациялар және клиенттер жасау бақытты, біздің басымдықтарымыз. Біз энергияны үнемдейтін әмбебап бірлескен муфтаның шешімдерін ұсынамыз, бұл 98,6% дейін берілу тиімділігіне дейін, жоғары қуатты қондырғылар үшін операциялық шығындарды азайтуды ұсынамыз. Сізге үлкен қуат беру үшін тиімді әмбебап бірлескен муфта қажет пе, жоқ па, шу шығаратын жерлер үшін, шу шығаратын жерлер үшін, біздің өнімдер сатылымнан кейінгі қызметпен айналысады және біз дұрыс істемейміз. Сондықтан Раймафон - барлық берілу қажеттіліктері үшін ең жақсы таңдау.
Мекенжай
Луотуо индустриалды ауданы, Жеңьки ауданы, Нингбо қаласы, Қытай
Тел
Электрондық пошта


+86-574-87168065


Луотуо индустриалды ауданы, Жеңьки ауданы, Нингбо қаласы, Қытай
Авторлық құқық © Raydafon Technology Group Co., шектеулі барлық құқықтар қорғалған.
Links | Sitemap | RSS | XML | Құпиялылық саясаты |
