Құралдар
Құралдар
Ауылшаруашылық техникаларына арналған цилиндрді тарту және көтеру
  • Ауылшаруашылық техникаларына арналған цилиндрді тарту және көтеруАуылшаруашылық техникаларына арналған цилиндрді тарту және көтеру
  • Ауылшаруашылық техникаларына арналған цилиндрді тарту және көтеруАуылшаруашылық техникаларына арналған цилиндрді тарту және көтеру

Ауылшаруашылық техникаларына арналған цилиндрді тарту және көтеру

Қытайда ұзақ жоспарланған өндіруші ретінде Раядафон ауылшаруашылық техникасына ауылшаруашылық техникасына, ауылшаруашылық техникасына, өз зауытына және жетілген технологияларға сүйене отырып, ауылшаруашылық техникасына үнемді және көтеретін цилиндрлер әкелді. Оның қолайлы бағасымен ол көптеген фермерлер мен ауылшаруашылық техникаларына арналған кооперативтерге сенімді жеткізуші болды. Бұл ауылшаруашылық техникаларына арналған цилиндр және көтергіш цилиндр қалыңдатылған легірленген болаттан жасалған және жеті сөндіру процесінде нығайтылған. Ол 3-тонна ауылшаруашылық техникасын оңай көтере алады және жырту жабдықтары мен жүктерді түсіруге немесе түсіруге және түсіруге және түсіруге жеткілікті қуатты. Сатудан кейінгі сенімді және сапалы қызмет көрсетуден кейін, Райдафонның ауылшаруашылық техникаларына арналған цилиндрлермен және гирдингтерімен ауылшаруашылық өндірісіне тиімді жұмыс істеуге көмектеседі.

Towing And Lifting Cylinder For Agricultural Machinery

Өнімнің ерекшеліктері

Райдафон, Қытай өндірушісі ретінде гидротехникамен шұғылданатын өндіруші ретінде, өз зауыттық шеберлерінің қолөнерімен ауылшаруашылық техникасы үшін үнемді және көтергіш цилиндр құрды. Қолайлы бағамен ол көптеген фермалар мен ауылшаруашылық техникалары зауыттарының сенімді жеткізушісі болды. Бұл цилиндр ауылшаруашылық алқаптарындағы күрделі жұмыс жағдайына арналған, ал оның үш негізгі артықшылығы ауылшаруашылық операцияларын жеңілдетеді.


Қуатты және тұрақты, ілулі, ілулі, ауылшаруашылық техникаларына арналған цилиндрлер тау-кен өндірісі легірленген цилиндрі тау-сігерлерден жасалған болаттан жасалған, цилиндрдің қабырғасы қалыңдығы 30%, ал ол теміржол трассаларымен салыстырғанда сегіз сөндірілген. Ол 3,5 тонна ауылшаруашылық техникасын тұрақты түрде көтеріп, ауыр жабдықтарды жырту және алып жүру мүмкін емес. Беті коррозияға қарсы төрт қабатпен қапталған. Екі жылдық тұзды және дымқыл күріш алқаптарында үздіксіз қолданылғаннан кейін, цилиндрдің денесі бір тамшы май ағып кетпестен жаңа сияқты жарқын болып табылады.


Тау ретінде тұрақты, икемді ретінде: түпнұсқа екі жақты гидравликалық баланс жүйесі ауылшаруашылық техникаларына тартқыш пен көтергіш цилиндрге көтеріліп, мылжыңдармен дәл түсуге мүмкіндік береді. Кірістірілген қысым датчигі шамадан тыс жүктелген кезде қорғайды және 4,3 секунд ішінде әрекетті тоқтатады.


Сұраныс бойынша реттелген, күнсіз сатудан кейінгі сату: ол мұнай портының позициясын толық реттеуді және инсульт ұзындығын толық теңшеуге және ескі модельдерге және импортталған ауылшаруашылық техникасына бейімделеді. Орнату тек бірнеше бұрандаларды қатайтуды қажет етеді, ал қарапайым ауылшаруашылық техникасы операторлары оны нұсқауларға сәйкес жасай алады. ИСО 9001 және ауылшаруашылық техникасы саласының дуальды сертификаттаудан өтті, егер проблема болса, 24 сағат ішінде жауап берді. Райдафонның өнімі - шығындарды азайтуға және ауылшаруашылық өндірісінің тиімділігін арттыру үшін «Жеңіл көмекші».

Towing And Lifting Cylinder For Agricultural Machinery


Өнімді қолдану

Жер жырту жұмыстарында ауылшаруашылық техникаларына арналған цилиндрлер және жер учаскелеріне арналған гилдингтер жырту жабдықтарының «күші» болып табылады. Тракторды қайта құрайтын жер учаскесі топырақтың ену тереңдігін жиі реттеуі керек. Райдафон өндірген май цилиндрі егістік денені тез және дәл көтеріп, төмендетіп, төмендетіп, төмендетеді және сонымен қатар қатты топырақтарға тап болған кезде, біркелкі жер жыртуды және жер жырту тиімділігін арттыруға мүмкіндік бере алады. Ол егіс процесінде де қажет. Сепкіште май цилиндрі тұқым өлшегішті көтеру және төмендетуді және қысым доңғалағының қысымын басқарады. Егу болған кезде, май цилиндрі қысым доңғалағына тұқымдар мен топырақтың тығыз байланысымен топырақты тығыз күшпен ықшамдауға мүмкіндік береді, бұл топырақтың тығыз байланысы бар және пайда болуын қамтамасыз етеді; Ұшқандар жіберген кезде, ол машинаның қозғалысын жеңілдету үшін тұқым өлшегішті тез көтере алады.


Егін жинау сатысында комбайнның комбинаты бойынша ауылшаруашылық техникаларына тартқыш және көтергіш цилиндр негізгі рөл атқарады. Астық қорапшасы толып кеткеннен кейін, сіз астық қорапты оңай көтеріп, астықты тез түсіріп, оны көлік құралына тез түсіріп алу үшін сізге май цилиндрін пайдалану керек. Бүкіл процесс - тегіс және жұмыс күші. Сонымен қатар, құлаған дақылдарды жинағанда, май цилиндрі тегіс егін жинау үшін үстіңгі деректеменің биіктігін икемді түрде реттей алады. Сонымен қатар, ауылшаруашылық самосвалдары сияқты ауылшаруашылық көлік техникасы бойынша, май цилиндрі шелектің көтерілуін және төмендеуін басқарады. Сабанмен және тыңайтқышпен толтырылған шелек автоматты түрде майды Цилиндрді итеріп, түсіреді, бұл қолмен жұмыс істеуден бірнеше есе тиімді. Жеткізуші ретінде зауытта тікелей жеткізілетін, Райдафон ауылшаруашылық өндірісі арқылы қол жетімді және берік өнімдері бар фермерлер мен ауылшаруашылық техникаларын ұсынады, бұл ауылшаруашылық өндірісінің әр сатысына көмектесу.

Towing And Lifting Cylinder For Agricultural Machinery


Өнім параметрі:

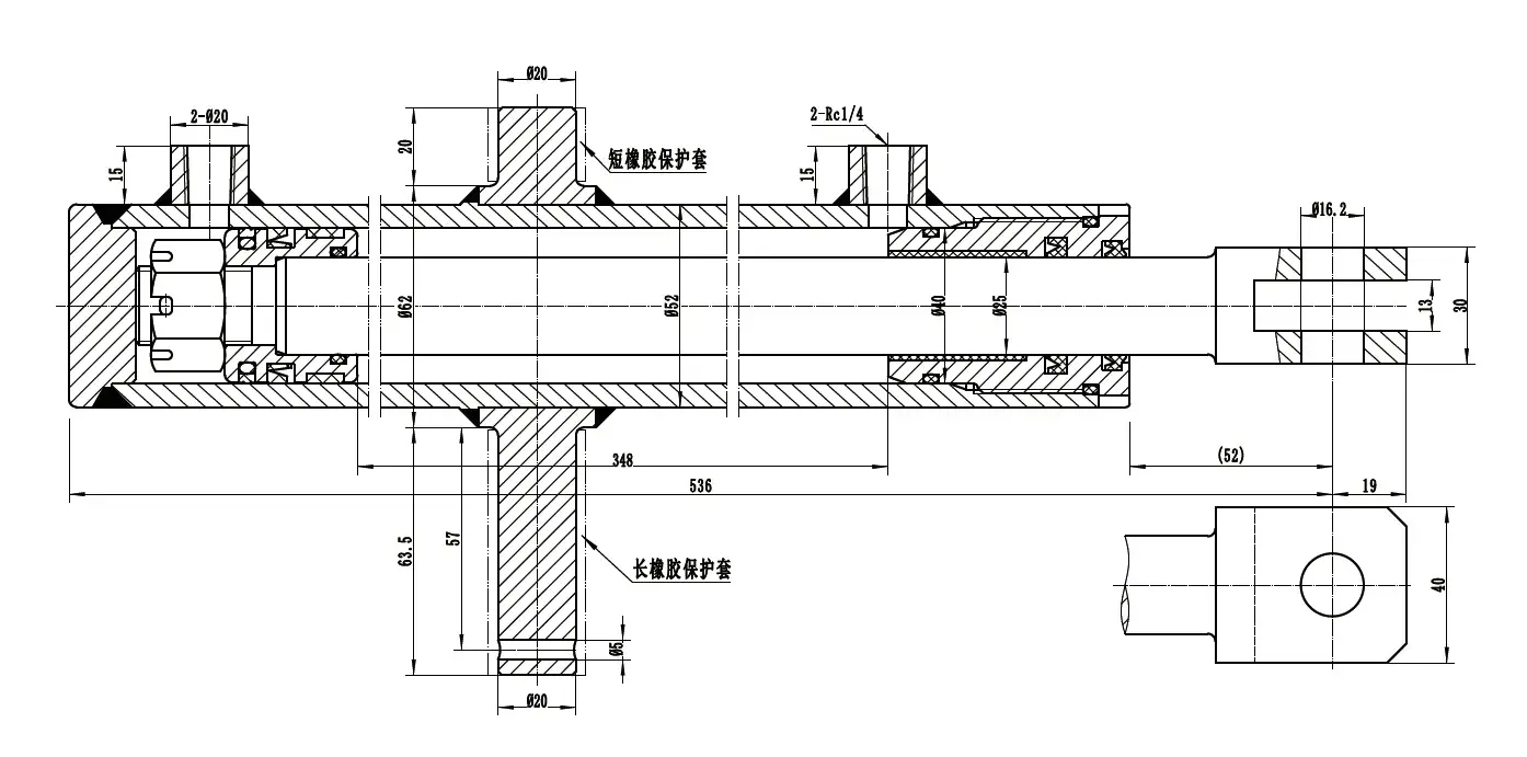
Цилиндр моделі Еректерлер Жұмыс қысымы Максимум қысыммен шектеледі Сапар Орнату қашықтығы Салмақ
HCYY1112017 Φ40 × φ25 × 348 16.7MPA 24.5MPA 348 536 6 кг

Towing And Lifting Cylinder For Agricultural Machinery



Hot Tags: Ауылшаруашылық техникаларына арналған цилиндрді тарту және көтеру
Сұрау жіберу
Байланыс ақпараты
  • Мекенжай

    Луотуо индустриалды ауданы, Жеңьки ауданы, Нингбо қаласы, Қытай

  • Электрондық пошта

    [email protected]

Гидравликалық цилиндрлер, редукторлар, PTO біліктері немесе бағалар тізімі туралы сұраулар үшін электрондық поштаңызды бізге қалдырыңыз, біз 24 сағат ішінде байланыста боламыз.
X
Біз cookie файлдарын сізге жақсырақ шолу тәжірибесін ұсыну, сайт трафигін талдау және мазмұнды жекелендіру үшін пайдаланамыз. Осы сайтты пайдалану арқылы сіз cookie файлдарын пайдалануымызға келісесіз. Құпиялылық саясаты
Қабылдамау Қабылдау