QR коды
Біз туралы
Құралдар
Бізбен хабарласыңы


Факс
+86-574-87168065

Электрондық пошта

Мекенжай
Луотуо индустриалды ауданы, Жеңьки ауданы, Нингбо қаласы, Қытай
«Эстафеталық жарыс» қуаты: жемді араластырғыш беріліс қорабы электр энергиясын беру үшін «релелік капитан» сияқты. Мотор іске қосылғаннан кейін, қуат алдымен беріліс қорабының кіріс білігіне беріледі, содан кейін «жылдамдықты өзгерту» әр түрлі өлшемдегі редукторлардың бір тобын қораптағы топтардың бір тобын қою арқылы жүзеге асырылады. Мысалы, кіріс білігі минутына 1000 рет айналса, шығыс білігі беріліс тобы берілістерінен кейін 100 рет бұралуы мүмкін, бірақ момент өте жақсарады. Содан кейін бұл күшті қуат араластыру білігіне жіберіледі, аралас пышақтарды тез арада беруге мүмкіндік береді, бұл «қатты тауарлармен» оңай талшықты жемшөппен айналысуға мүмкіндік береді.
Нақты табандылық, төмендетілген шығын: редуктордағы берілістер кездейсоқ сәйкес келмейді. Райдафон өндірген редукторында дерлік есептелген және өңделіп, өңделіп, қайта өңделген кезде мықтап жабысып, мықтап жабысып, мықтап жабысып, дәмді жұмбақтың екі бөліктері сияқты үйлеседі. Осылайша, электр энергиясын беру кезінде қуырылған, энергия шығыны аз, ал қуатты араластыру үшін қолдануға болады. Бұл жемді араластырғышқа «энергия үнемдейтін өзек» орнату сияқты, бұл жұмыс энергияны ысырап етпестен көп күшейтеді.
Қажеттіліктерге сәйкес келетін икемді реттеу: әр түрлі арналар және әртүрлі қоспалар әр түрлі жылдамдықты қажет етеді. Беру араластырғыш беріліс қорабының сұлулығы оны икемді түрде реттеуге болады. Редукторлар жиынтығын өзгерту арқылы әр түрлі жылдамдыққа арналған коэффициенттер алуан түрлі қажеттіліктерге қол жеткізуге болады. Егер сіз сүрлемді араластырып, шоғырланғыңыз келсе, жылдамдықты арттырыңыз; Егер сіз сынғыш шикізатты өңдегіңіз келсе, жылдамдықты төмендетіп, баяу араластырып, бәрі мұны жасай алады.
Тұрақты қолдау және беріктігі: беріліс қорабының денесі бүкіл беру жүйесінің «қамқоршысына» тең. Жоғары берік шойын материалы, күшті және соққыға төзімді, ішкі берілістер мен мойынтіректерді тұрақты түрде қолдай алады. Ішкі мойынтіректер тегіс айналу және тозу үшін арнайы майланған. Берілім араластыру кезінде діріл жасалған болса да, беріліс қорабы берілістердің тұрақты белсенділігін қамтамасыз етуге, тұрақты қуатты үнемі шығаруға және жалпы қызмет мерзімін ұзартуға мүмкіндік береді.
Райдафонның өнімді өндіру процесі қатаң сынақтан өтті және нақты орнатылғаннан кейін толығымен жұмыс істей алады. Біздің өнімдерді таңдау сіз жан тыныштығын таңдағаныңызды білдіреді.
| Пропорция | Қосу r.p.m |
Кіріс қуаты | Өнім шығару | Улгі | Пікірлер | |
| КВт | Н | Л | ||||
| 16.1: 1 | 540 | 44.7 | 60 | 11600 | G1-0314 |
|
| 19.4: 1 | 540 | 26.1 | 35 | 8600 | G1-0514 |
|
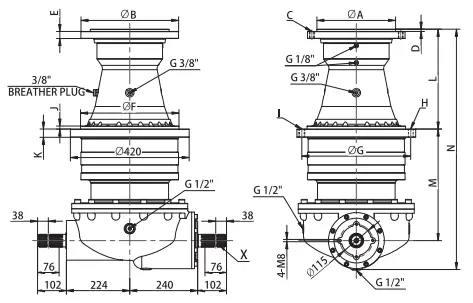
| Нөмір | A | B | C | D | E | F | G | H | 1 | J | K | L | M | N | ||||||||||||||||||
| 1 | ⌀200 H7 | ⌀278 | 12-M16 EQS⌀245 | 15 | 25 | ⌀280 F7 | ⌀380 | 12-M16 |
|
26 | 30 | 353 | 300 | 785 | ||||||||||||||||||
| 2 | ⌀200 H7 | ⌀278 | 12-M16 EQS⌀245 | 15 | 25 | ⌀280 F7 | ⌀380 | 12-M16 |
|
26 | 30 | 353 | 402.5 | 857.5 | ||||||||||||||||||
| 3 | ⌀278 H8 | ⌀345 | 15-M16 EQS⌀314 | 8 | 25 | ⌀348 H8 | ⌀385 | 12-⌀17 | 2-m18 | 10.5 | 29 | 351 | 321.5 | 774.5 | ||||||||||||||||||
| 4 | ⌀278 H8 | ⌀345 | 15-M16 EQS⌀314 | 8 | 25 | ⌀348 H8 | ⌀385 | 12-⌀17 | 2-m18 | 10.5 | 29 | 351 | 394 | 847 | ||||||||||||||||||
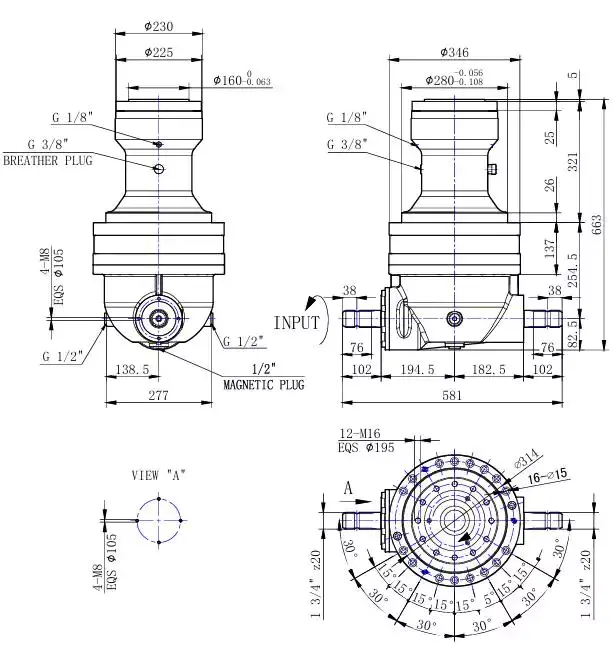
| 5 | ⌀154.8 H8 | ⌀250 | 12-M20 * 1.5 EQS⌀205 | 12 | 39 | ⌀348 H8 | ⌀385 | 12-⌀17 | 2-m18 | 10.5 | 29 | 354.5 | 321.5 | 778 | ||||||||||||||||||
| Пропорция | сан r.p.m |
Кіріс қуаты | Өнім шығару Л |
Кіріс білігі | Пікірлер | |||||||||||||||||||||||||||
| кВт | Н | |||||||||||||||||||||||||||||||
| 13.4: 1 | 540 | 85.8 | 115 | 17984 | X |
|
||||||||||||||||||||||||||
| 14.6: 1 | 540 | 70.8 | 95 | 16187 | X |
|
||||||||||||||||||||||||||
| 16.1: 1 | 540 | 63.4 | 85 | 15971 | X |
|
||||||||||||||||||||||||||
| 18.2: 1 | 540 | 44.7 | 60 | 12744 | X |
|
||||||||||||||||||||||||||
| 21.1: 1 | 540 | 37.3 | 50 | 12312 | X |
|
||||||||||||||||||||||||||
| 25.9: 1 | 1000 | 82 | 110 | 17954 | X |
|
||||||||||||||||||||||||||
| 28.3: 1 | 1000 | 67.1 | 90 | 16051 | X |
|
||||||||||||||||||||||||||
Болат «Дене» өте берік: бұл беріліс қорабы қалыңдатылған жоғары берік шойындан жасалған, ал бүкіл қорап танк қабығы сияқты күшті. Түтіндемеден жасалған сүрлемді немесе зорлық-зомбылықты араластырған кезде бұл ылғалды орта ма, жоқ па, ол оған қарсы тұра алады. Ішкі редукторлар карбюрацияланған және сөндірілген, және тіс бетінің кермектігі HRC58 сияқты жоғары. Бұрышқа төзімділік қарапайым редуктордан 3 есе күшті. Ол бес-алты жыл бойы шаңды және ауыр фермаларда үздіксіз қолданылған, ал қойылым әлі де «онлайн», ал жөндеу саны өте аз.
«Нөлдік қалдықтар» электр энергиясын беру: дизайн тапқырлыққа толы! Беріліс берудің дәлдігі шаш деңгейіне жетеді, ал энергияның тиімділігі 95% -дан асады. Басқа беріліс қораптары араластыру кезінде көп қуат алуы мүмкін, бірақ TMR миксері үшін Plower Plower-дағы мотордың барлық қуатын қолдана алады. Дәл сол араластыру үшін 5 тонна беріліс, біздің редукторымызды қолдана отырып, 15 минуттық болуы мүмкін және электр энергиясының 20% -ын үнемдеу, фермерлердің нақты ақшасын үнемдеу.
«Жалпыға ортақ бейімделу» - бұл өте алаңдаушылықсыз: ол кішкентай фермада немесе үлкен арна зауытында қарапайым араластырғыш па, бұл үлкен жемшөп зауытында, бұл беріліс қорабы үздіксіз қосыла алады. Жылдамдық қатынасы 2: 1-ден 15: 1-ден 15: 1-ден 15: 15-тен 15: 15-тен 15: 1-ден 15: 15-тен 15: 1-ден 15: 15-тен 15-ке дейін, ал аралас жемді және аралас жемді араластыруға болады. Орнату оңай, сонымен қатар жабдыққа үлкен өзгерістер енгізудің қажеті жоқ. Қарапайым жұмысшылар оны жарты сағат ішінде жарты сағат ішінде аяқтай алады, бұл әсіресе асығыс фермерлерге жарамды. «Интеллектуалды қорғау» өте мұқият мұқият мұқият мұқият қарау: беріліс қорабында кірістірілген артық жүктемеден қорғау құралы бар. Аралас жүктеме тым үлкен болғаннан кейін, ол машинаны сақтамау үшін автоматты түрде «тоқтайды», бұл машинаны қорғайды, бұл тек машинаны қорғайды, сонымен бірге қауіпсіздік апаттарының алдын алады. Сонымен қатар, құрылымдық дизайн орынды. Сіз подшипникті өзгерте аласыз немесе қорапты ашып, редукторды жөндей аласыз. Бұл «орыс қуыршағының» бөлшектеуі сияқты қиын емес. Күту уақыты мен техникалық қызмет көрсету уақыты өте қысқарады, ферманың өндірісі тоқтамайды.
Шетелдегі тапсырыс беруші ретінде мен Райдафонға рахмет айтқым келеді! Сіздің арнаңыздың араластырғыш беріліс қорабы өте оңай. Ол орнатылғаннан бері жабдық өте жақсы жұмыс істеп, жұмыс тиімділігі бұрынғыдан әлдеқайда жоғары. Беріліс қорабы қатты және берік материалдардан жасалған және оны орнату және сақтау оңай. Бұл біздің алдыңғы жабдықтарымыздағы ескі мәселелерді шешті. Мен сатылымнан кейінгі қызметті мадақтауым керек. Біз оны қолданған кезде кішкене сұрақтарға тап болдық, және сіз оны тез білесіз. Бұл өте сенімді. Бұл ынтымақтастық тәжірибесі өте жақсы. Мен өз өнімдеріңізді құрдастарыма ұсындым, болашақта ынтымақтастықты одан әрі жалғастырамын! ----- Джеймс Картер
Хей, мен Райдафонның тапсырыс берушісі Дәуіт Джонсонмын. Мен бұған дейін жемшөптің беріліс қораптарын сатып алдым, және оны пайдалану өте жақсы! Осы беріліс қорабын орнатқаннан кейін, біздің жем араластырғышымыз бұрынғыдан әлдеқайда тегіс жұмыс істейді, тиімділік жақсарды. Мен бұрын кептелу туралы уайымдайтынмын, бірақ қазір оны мүлдем алаңдамаудың қажеті жоқ. Мені ең құнды сезіну - бұл өте берік сезінеді, бұл өте берік, материал қатты сезінеді, сондықтан оны күнделікті ұстап тұру қиын емес. Бірнеше рет бұрандаларды қатайтып, алдыңғы жабдықтыдан айырмашылығы, бірнеше күн сайын лақтыру қажет болса, майдың деңгейін тексеріңіз. Соңғы рет маған кішкентай сұрақтарым болды, менде бірнеше рет жұмыс жасадым, мен сізден кейінгі қызметке электрондық хат жібердім және сол күні жауап алдым. Инженер сонымен қатар оны қалай реттеуге үйрету үшін схемалық диаграмма жасады. Бұл қызмет керемет! Шынымды айтсам, мен өзімнің әріптестеріммен бірге өзімнің әріптестеріммен бірге сөйлесемін. Жақсы нәрселер көп адамдарға белгілі болуы керек. Болашақта сіздермен ынтымақтастық орнатуға үміттенемін және сіздің бизнесіңізге көбірек танымал болуын тілеймін!
Менің атым - Михаил Браун. Мен кішкене тартыншым едім, өйткені мен сіздің бордақылауға арналған беріліс қораптарын сатып алдым, бірақ мен бұрыннан басқа өнімдерді алдадым, бірақ оны жарты жыл ішінде қолданғаннан кейін мен оны бас бармақшамды беремін! Бұл беріліс қорабының шуы бұрынғыдан әлдеқайда аз. Бұрын ол қосылған кезде күн күркірегендей болды, бірақ қазір мен семинарда сөйлескен кезде айқайлаудың қажеті жоқ. Ең таңқаларлығы - тиімділік. Ол жемшөп партиясын араластыруға 40 минут уақыт кетеді, бірақ қазір оны 25 минут ішінде жасауға болады, ал конвейер белдеуі оның жылдамдығын арттырды. Өткен аптада беріліс қорабының индикатор шамы екі рет жетті. Мен проблема туындаса, мен сіздің сатудан кейінгі қызметіңіз деп атадым. Телефонға жауап берген қыз өте шыдамды болды. Ол маған бірнеше суретке түсіп, мені датордан датчиктен тазартуға рұқсат етілген. Ол 10 минуттан аспайды. Беріліс қорабы қатты материалдардан жасалған. Сыртқы қабық ауырады. Соңғы рет, жүк шегіп, кішкене із қалдырды, бірақ ішіне бөліктері әсер етпеді. Мен сіздің өнімдеріңіз туралы мен сіздің өнімдеріңіз туралы есікпен сөйлесіп тұрдым. Сонымен қатар ол келесі айға тапсырыс беруді жоспарлап отыр! Мен болашақта сіздің жаңа аксессуарларыңызды күтемін және күшейтіліп, мықты екеніңізді тілеймін!
Мекенжай
Луотуо индустриалды ауданы, Жеңьки ауданы, Нингбо қаласы, Қытай
Тел
Электрондық пошта


+86-574-87168065


Луотуо индустриалды ауданы, Жеңьки ауданы, Нингбо қаласы, Қытай
Авторлық құқық © Raydafon Technology Group Co., шектеулі барлық құқықтар қорғалған.
Links | Sitemap | RSS | XML | Құпиялылық саясаты |
